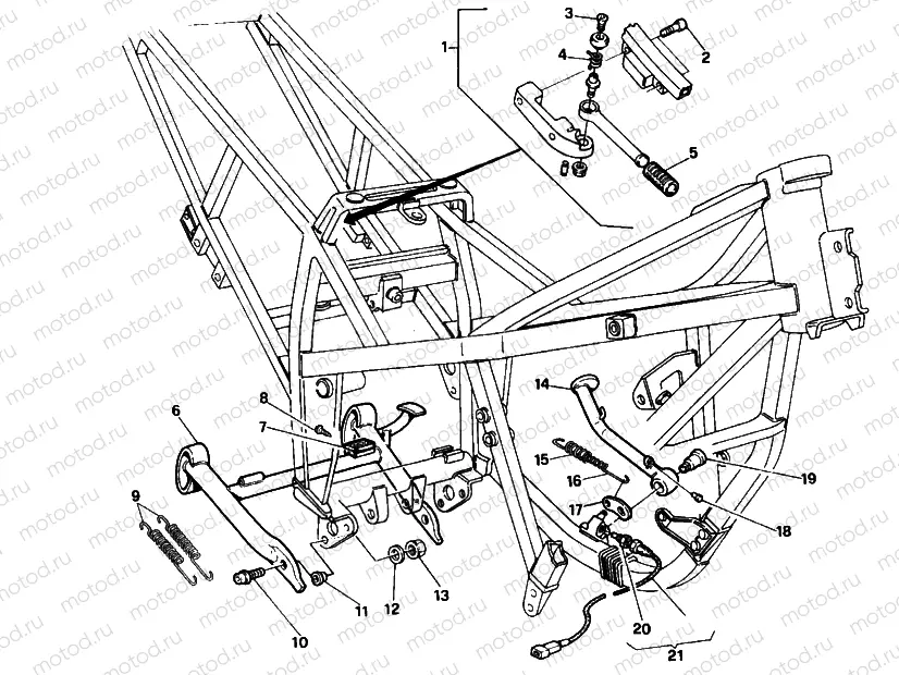
SIDE STAND

SIDE STAND
1
037069300
HANDLE ASSY
1 шт. в узле
2
77151278B
pc - Vis
2 шт. в узле
3
707806516
pc - .ALLEN SCREW M6X16
1 шт. в узле
4
037069345
Spring
1 шт. в узле
5
075507350
Damper
1 шт. в узле
6
55510021A
Béquille centrale
1 шт. в узле
7
037091070
Guard chain sliding shoe
1 шт. в узле
8
722370654
Vis
1 шт. в узле
9
037012160
Spring
2 шт. в узле
10
707310430
Vis
2 шт. в узле
11
037012150
Entretoise
2 шт. в узле
12
85610642A
Rondelle
2 шт. в узле
13
74840241AB
pc - Nut
2 шт. в узле
14
55610061A
Béquille latérale
1 шт. в узле
15
037012530
Spring (Outer)
1 шт. в узле
16
037012540
Spring (inner)
1 шт. в узле
17
037012510
PLATE
1 шт. в узле
18
000041196
PAWL
1 шт. в узле
19
77910553A
Vis (spec)
1 шт. в узле
20
60N115079
UT M8X1.00
2 шт. в узле
21
037012590
Switch, side stand
1 шт. в узле

Узлы для