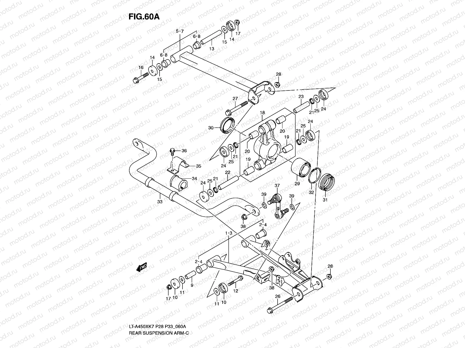
REAR SUSPENSION ARM (MODEL K8/K9/L0)

REAR SUSPENSION ARM (MODEL K8/K9/L0)
1
61510-31810
Arm set,rr susp
2
61551-31G00
Bush,rr spnsn a
3
61520-31810
Arm set,rr susp
4
61551-31G00
Bush,rr spnsn a
5
61530-31820
Arm set,rr susp
6
51236-40B00
ush,king pin
7
61540-31820
Arm set,rr susp
8
51236-40B00
ush,king pin
9
61552-31G10
Spacer,rr spnsn
10
51255-18900
Dust seal
11
08211-10281
Washer,thrust
12
09103-10392
BOLT(10X70)
308 ₽/шт
13
61554-31G00
Entretoise
14
51255-31G00
Seal,rr spnsn a
15
08211-10281
Washer,thrust
16
09103-10388
BOLT(10X120)
3 520 ₽/шт
17
09159-10115
Гайка
289 ₽/шт
18
61600-11820
Knuckle set,rr
19
51236-31G00
Bush,suspension
20
61551-31G10
Bush,rr knuckle
21
52454-45G00
Seal,spnsn arm
22
61554-31G00
Entretoise
23
61553-31G10
Spacer,rr knuck
24
51255-18900
Dust seal
25
08211-10281
Washer,thrust
26
09103-10388
BOLT(10X120)
3 520 ₽/шт
27
09103-10387
BOLT(10X96)
5 320 ₽/шт
28
09159-10115
Гайка
289 ₽/шт
29
43440-58J01
Bearing,front
30
61615-31G00
Seal,rear hub i
31
61616-31G00
Seal,rear hub o
32
08331-4162A
Circlip
33
61651-31G10
Bar,rr stabiliz
34
61652-34K00
Bush,rr stabili
34
61652-34K00
Bush,rr stabili
35
42415-66D00
PLATE, RR STABILIZER
36
09103-08570
Bolt,front Grip
1 840 ₽/шт
37
61660-31G10
JOINT. RR STABILIZER
37
61660-31G20
Joint comp,rr s
38
09159-10223
Nut
38
08319-3110B
Гайка
1 920 ₽/шт
39
09160-10039
Шайба
119 ₽/шт
39
09160-10039
Шайба
119 ₽/шт

Узлы для