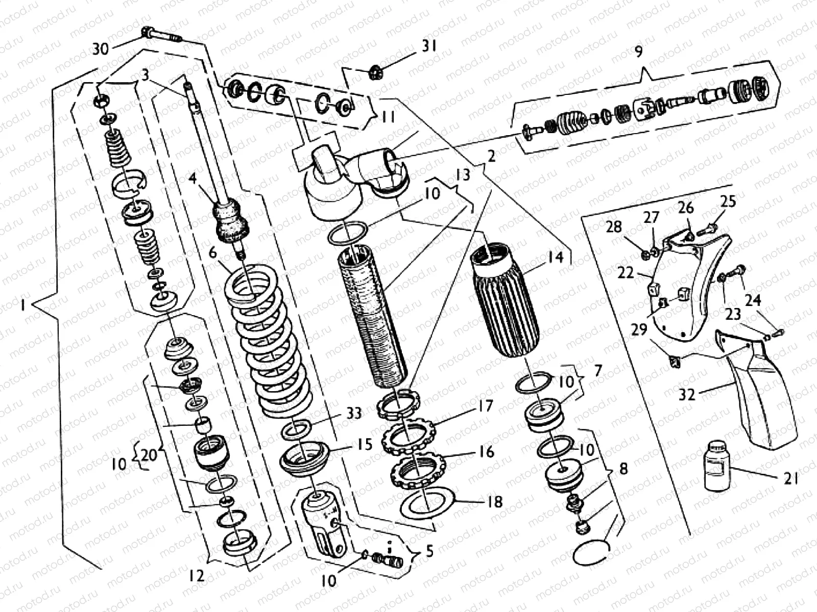
REAR SUSPENSION

REAR SUSPENSION
1
800098368
Amortisseur arrière
2
800099642
DAMPER CASE ASSY
3
800098519
ROD ASSY
4
800091238
Damper
5
800098489
FORK ASSY
6
800098548
SPRING, SHOCK ABSORBER K=6.0 K
6
800098551
SPRING, SHOCK ABSORBER K=6.4 K
7
800098490
DIAPHRAGM,VALVE
8
800099635
RESERVOIR,SHOCKABSORBER
9
800099636
ADJUSTER SET
10
800098493
OVERHAUL SET, REAR SHOCK ABSOR
11
800089089
BALL JOINT ASSY
12
800098494
GUIDE ROD ASSY
13
800098514
DAMPER CASE ASSY
14
800099637
TANK
15
800099672
BOTTOM
16
800099640
RING NUT
17
800099641
RING NUT
18
800098499
Rondelle
20
800098495
ROD GASKET SET
21
800080260
FORK OIL
22
800092961
COVER, SHOCK ABSORBER
23
Z00069429
BUSH
24
8A0098371
Vis (M6x1.00x15)
25
8E0098371
Vis (M6x1.00x35)
26
800072268
SPACER 9X6.4X20
27
800056359
Rondelle
28
Z00044240
Nut (Lock)
29
U00046893
Clip nuts (M6x1)
30
8D0062797
SCREW TE M10X1.25X47 CH14
31
Z00042022
Nut (Lock M10)
32
80A069551
COVER, SHOCK ABSORBER
33
800099639
Entretoise

Узлы для