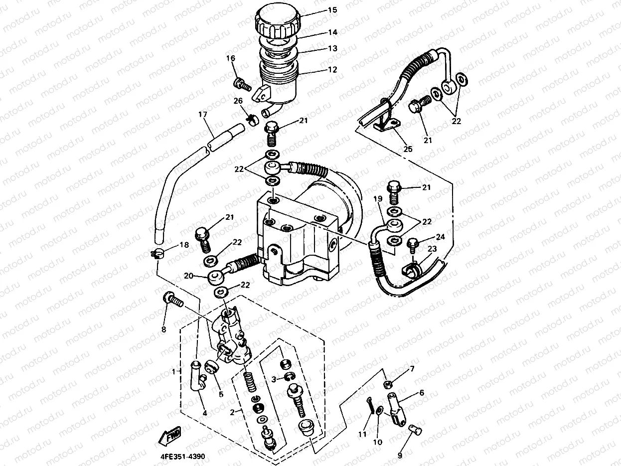
REAR MASTER CYLINDER 2

REAR MASTER CYLINDER 2

Узлы для