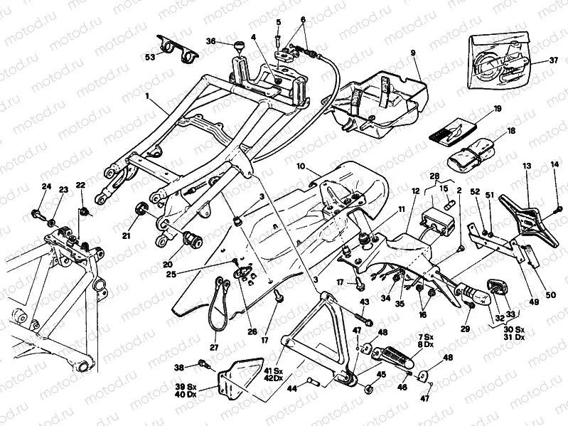
REAR FRAME USA » FRAME

REAR FRAME USA » FRAME
1
47010322A
REAR FRAME
3
85041121A
.BUSH
4
74941108B
5 pc - Nut
5
77750398B
10 pc - .SCREW TSPEI M5X22
6
73220022A
LOCK LATCH
7
46510081A
Repose pieds (Rear, Left)
8
46510101A
Repose pieds (rear Right)
9
55920042A
TOOLS BOX
10
48610381C
PANEL
11
000007051
FAIRLEAD
12
56110101A
PLATE HOLDER
13
000062700
. NUMBER PLATE HOLDER
14
77250988B
pc - Vis
15
800036230
.WEDGE BASE BULB 12V5W
16
74941118B
Nut
17
77210601A
pc - Vis
18
69720082B
Trousse d'outils
19
91370431A
OWNERS MANUAL
20
59820131A
SEAT LOCK
21
75010241A
Nut
22
74710051A
Nut (M8)
23
80C005893
10 pc - Rondelle
24
77151250ZF
Vis
25
722370657
Vis
26
76040031A
HELMET HOOK
27
73210071A
NTI-THEFT CABLE
28
52510042A
Ensemble lampe, plaque d'immatriculation
29
77156678B
pc - Vis
30
800074504
Clignotant
31
800074505
Clignotant
32
800036726
.BULB 12V 10W BA15S
33
53240011A
pc - Lentille clignotant
34
74941108B
5 pc - Nut
35
85250311A
pc - Rondelle
36
86610611A
Damper
37
59820161A
LOCKS KIT
38
77250718B
pc - Vis
39
24710961A
LEFT PROTECTION
40
24710971A
RIGHT PROTECTION
41
82410311A
REAR FOOT REST BRACKET LEFT
42
82410321A
REAR RIGHT PLATE
43
77157238B
pc - Vis
44
82110681B
FOOTREST PIN
45
88450031A
Seeger
46
79912521A
pc - Spring
47
84740021A
pc - .BALL
48
82711151A
.PLATE
49
82911361A
BRACKET REFLEX REFLECTOR
50
52910231A
.REFLEX REFLECTOR, REAR
51
85250011C
pc - Rondelle
52
74950011B
Nut
53
74110111A
.PAD

Узлы для