REAR CAB and SEAT - A00CB32AA (4949354935A005) | REAR CAB and SEAT - A00CB32AA (4949354935A005)

REAR CAB and SEAT - A00CB32AA (4949354935A005) | REAR CAB and SEAT - A00CB32AA (4949354935A005)
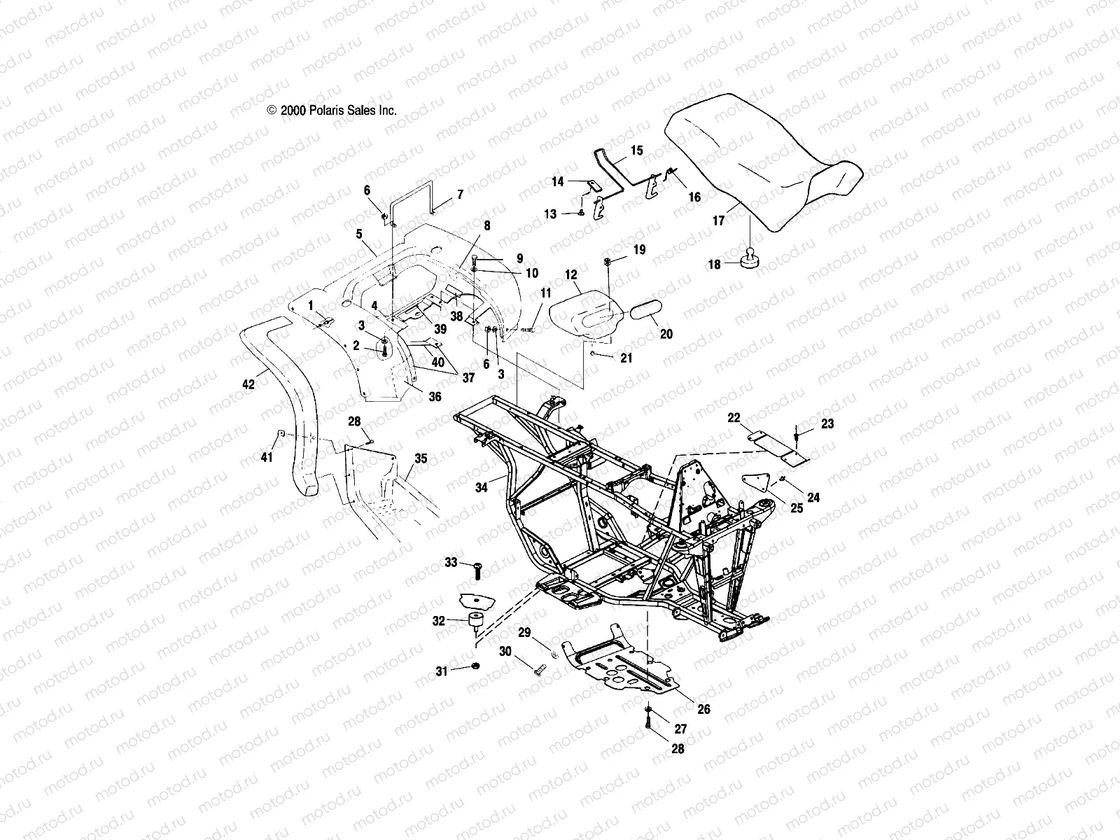
1
7661645
RIVET
2
7511930
Vis
3
7555792
Rondelle
4
5811107
FOIL REAR
5
5432117-293
CAB-REAR GEN 4 INDY RED
6
7541925
NUT NYLOK 10-24 Y
7
5224592
RETAINER SEAT LATCH
8
5811308
FOIL TAPE 3 X 12
9
7512242
Vis
10
7555859
WASHER FLAT
11
7519641
BLT-10-24X3/4 MACHSCR PHL PAN
12
5431786
TOOLBOX
13
7621403
BLIND RIVET
14
5211033
BRACKET LEVER RETAINER
15
1040387
LATCH SEAT
16
7041370
SPRING LATCH
17
2683222-070
ASM-SEAT BLK
17
5811104
FOIL SEATBASE LG.
17
2684055
ASM-COVER TBOSS WHITE DECAL
17
5811105
FOIL,SEATBASE,SM.
18
5410414
BUMPER RUBBER
19
7517599
ASM. BOLT /WASHER.88
20
5431787
COVER TOOLBOX
21
5410896
CAP DRAIN
22
5243188-067
GUARD-CLUTCH,BLK
23
7661638
RIVET INTERLOCK B
24
7621509
RIVET PLASTI-LOCK
25
5243829-067
STRAP-FUEL PUMP,MTG,BLK
26
5435005
Guard, Rock
27
7556065
WASHER SKID PLATE
28
7512232
Vis
29
7558301
WASHER FLAT
30
7517386
Vis
31
7542122
NUT-NYLOK
32
5411548
MOUNT RUBBER
33
7517264
Vis
34
1012764-067
FRAME MAIN 4X4 MAG BLK
35
5432221-070
FOOTWELL LH BLK NYLON
35
5433219-070
FOOTWELL-NYLON RH BLK
36
5811111
FOIL
37
5811106
FOIL FRONT
38
7073761
DECAL CARB.INFO.
39
7078396
DECAL-FILTER ELEMENT ES32
40
5811087
FOIL (6X1)
41
7670057
NUT SPEED
42
7555913
WASHER [No Longer Available] (FA)
42
5431796-070
GUARD-MUD REAR LH BLK
42
2873213
KIT-MUDSKIRT,FULLSET,GEN IV [Item NotAvailable] (FA)
42
5431797-070
GUARD-MUD REAR RH BLK

Узлы для