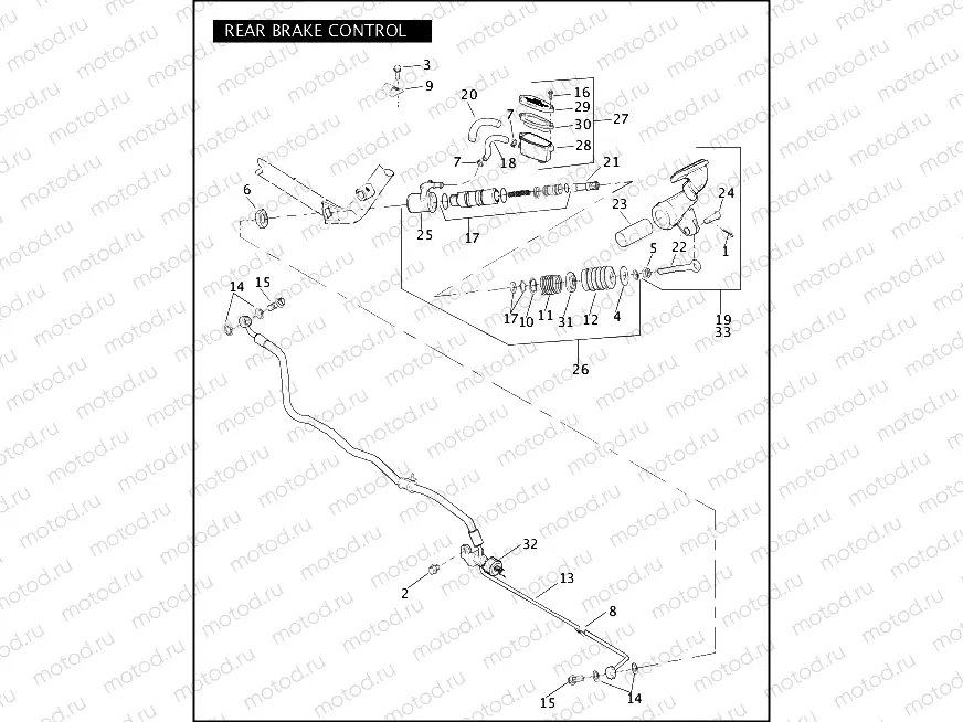
REAR BRAKE CONTROL

REAR BRAKE CONTROL
1
515
2 pc - COTTER PIN
2
3588
SCREW, FLANGE
3
4240
SCREW,HEX WASHER HD
4
6366
WASHER, BOOT RETAINER
5
7744
Nut
6
7951
NUT,HEX,JAM
6
9898
TERMINAL, FLAG
6
9907
WIRE TERMINAL
7
10038A
Collier
8
10184
CLIP,T-STUD,SMALL I.D.
9
10231
Collier
10
40918-87
RETAINING RING, SPRING
11
40920-87
PEDAL RETURN SPRING
12
40922-87A
BOOT, REAR MASTER CYLINDER
13
BRAKE LINE, rear
14
41731-01
Gasket
15
41747-82A
BOLT, BANJO
16
42375-87
SCREW, REAR MASTR CYL. COVER
17
42382-87E
PISTON KIT,BRK MSTR CYL,RR
18
42397-01
BRAKE HOSE, REAR
19
42400-01A
REAR BRAKE PEDAL ASSY
20
42409-01
CONDUIT, REAR RESERVOIR HOSE
21
42448-87
REMOTE MASTR CYLINDER PUSH ROD
22
42682-01
ROD END
23
42569-03
BUSHING
24
42460-80B
CLEVIS PIN, FX
25
42471-01A
HOUSING, CARTRIDGE
26
42585-01A
MSTR CYL ASY,RR
27
RESERVOIR ASSEMBLY, master cylinder
28
43914-01
BODY, REAR BRAKE RESERVOIR
29
COVER, reservoir
30
43917-01
Gasket
31
44126-87
RETURN SPRING RETAINER
32
72023-51E
KIT-SWITCH,RR BRAKELITE
33
BRAKE PEDAL ASSEMBLY, w/ 1, 2, 22, 23 & 24 (Japan)

Узлы для