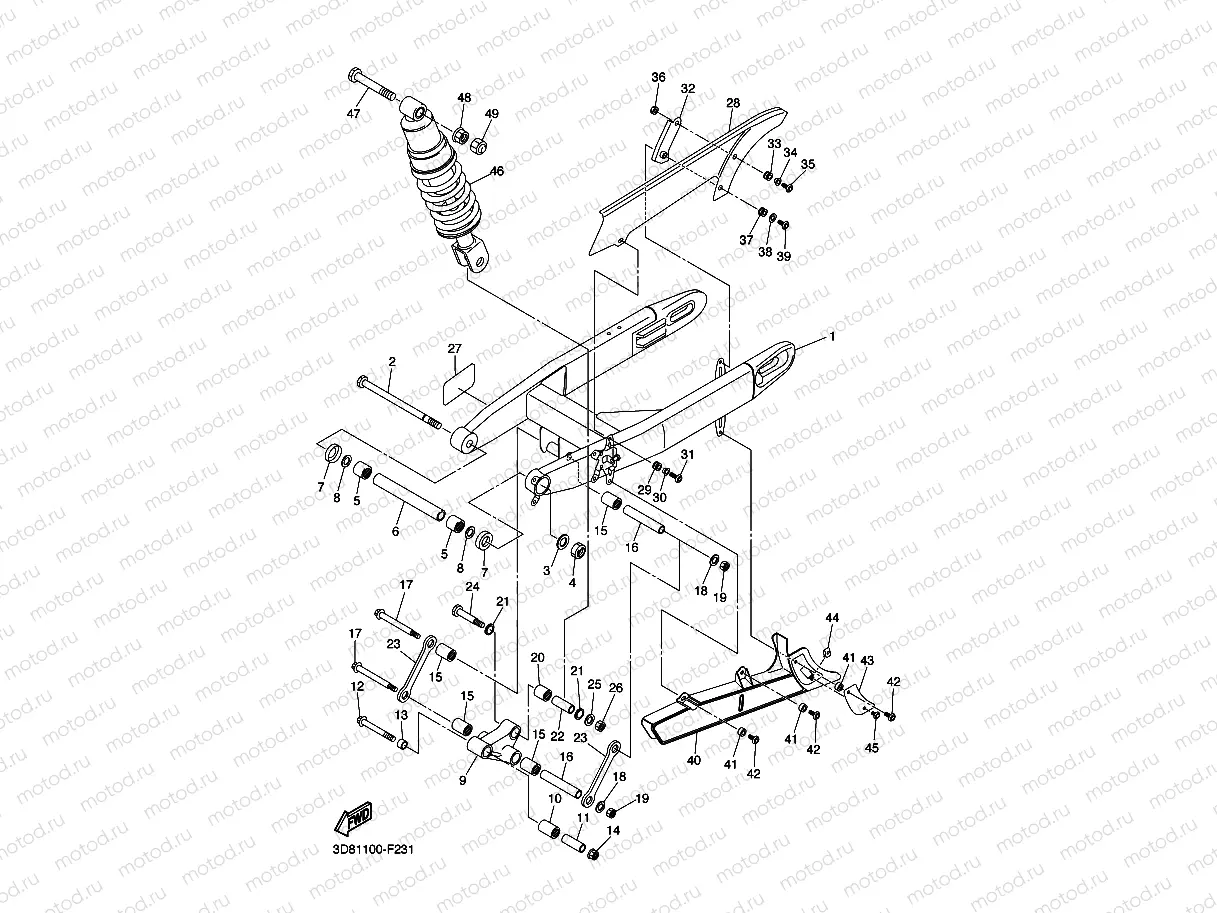
REAR ARM & SUSPENSION

REAR ARM & SUSPENSION
1
3D8-22110-01
Задняя рукоятка
131 522 ₽/шт
2
3D8-22141-01
Ось рычага
2 825 ₽/шт
3
90201-16018
Шайба
207 ₽/шт
4
90185-16002
Гайка самоконтрящаяся
636 ₽/шт
5
93320-32403
Подшипник
2 305 ₽/шт
6
3D8-22124-00
Втулка
3 870 ₽/шт
7
5EL-22129-00
Крышка
1 240 ₽/шт
8
90201-243U9
Шайба
493 ₽/шт
9
3D8-2217A-00
Рычаг
8 108 ₽/шт
10
93317-42060
Подшипник
2 496 ₽/шт
11
90387-100T8
Втулка
1 129 ₽/шт
12
90105-10233
Болт
445 ₽/шт
13
90387-10049
Втулка
592 ₽/шт
14
95602-10200
Гайка
159 ₽/шт
15
93317-41761
Подшипник
2 146 ₽/шт
16
90387-126T1
Втулка
1 160 ₽/шт
17
90101-12027
Болт
686 ₽/шт
18
90201-12045
Шайба
175 ₽/шт
19
95612-12100
Гайка
350 ₽/шт
20
93317-31771
Подшипник
2 527 ₽/шт
21
93109-17071
Сальник
381 ₽/шт
22
90387-127W0
Втулка
795 ₽/шт
23
3D8-2217M-00
Тяга
1 139 ₽/шт
24
90109-10024
Болт
747 ₽/шт
25
90201-10035
Шайба
175 ₽/шт
26
95617-10100
Гайка
397 ₽/шт
27
5PX-21652-00
Защита
670 ₽/шт
28
3D8-22311-00
CASE, CHAIN
29
90480-13004
Пробка
175 ₽/шт
30
90387-06171
Втулка
334 ₽/шт
31
90149-06302
Винт
381 ₽/шт
32
3D8-2213J-00
Крепление
1 155 ₽/шт
33
90480-13004
Пробка
175 ₽/шт
34
90387-06171
Втулка
334 ₽/шт
35
90111-06038
Болт
175 ₽/шт
36
95380-06600
Гайка
95 ₽/шт
37
90480-13004
Пробка
175 ₽/шт
38
90201-06095
Шайба
175 ₽/шт
39
90149-06302
Винт
381 ₽/шт
40
3D8-22312-00
Защита ремня, низ
2 295 ₽/шт
41
90387-06372
Entretoise
42
90149-06302
Винт
381 ₽/шт
43
5PX-22341-00
Пластина
1 935 ₽/шт
44
90183-06069
Гайка-скоба
350 ₽/шт
45
90149-06298
Винт
159 ₽/шт
46
11C-22210-10
Amortisseur arrière
47
90109-10028
Болт
390 ₽/шт
48
95602-10200
Гайка
159 ₽/шт
49
5YU-2143A-00
Колпачок гайки
175 ₽/шт

Узлы для