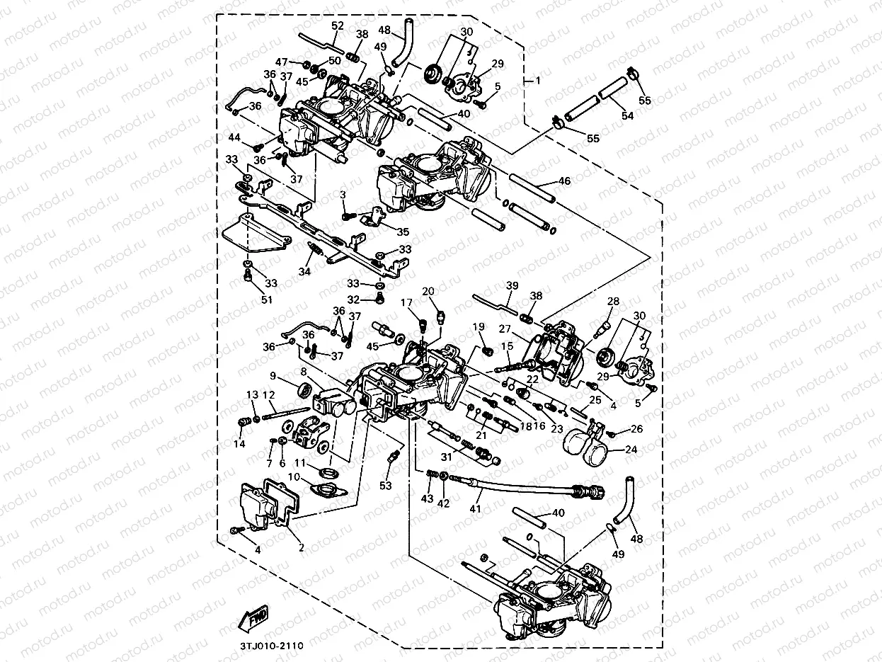
Kiyabreta 2 (3TJ6, 3TJ7)

Kiyabreta 2 (3TJ6, 3TJ7)

Узлы для