INTAKE » UNCLASSIFIED

INTAKE » UNCLASSIFIED
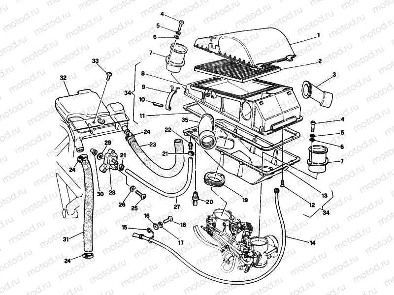
1
24610521A
FILTER CASE COVER
2
42610091A
Filtre à air
3
80110171A
LEFT HOSE
4
77150477E
Vis (spec)
5
85350081A
Rondelle (spring)
6
85250301A
pc - Rondelle
7
80210101A
IR FUNNEL
8
44210101A
UPPER HALF-CASE
9
76010061A
HOOK
10
86250071A
pc - . PIN, SPRING
11
78810341A
Gasket
12
77450031A
Vis
13
44210111A
LOWER HALF-CASE
14
87720011A
PIPE
15
83010981A
BRACKET
16
85610642A
Rondelle
17
85350071A
Rondelle (spring)
18
77910431A
SCREW M10X20
19
80110191A
SLEEVE
20
700010002
SENSOR, AIR TEMPERATURE
21
74140082A
pc - Collier
22
81410141A
UNION
23
87610491A
BREATHER PIPE
24
74140021A
pc - Collier
25
80A077346
Vis (M6x25)
26
85211761A
0 pc - Rondelle
27
59010021B
OX/SENSOR PIPE
28
55240021A
PRESSURE DETECTOR
29
096091765
. GASKET NYLON
30
85041121A
.BUSH
31
87610321A
. BREATHER PIPE
32
58510021C
VENT TANK
34
44220101A
IR FILTER BOX
35
80110181A
. RIGHT HOSE

Узлы для