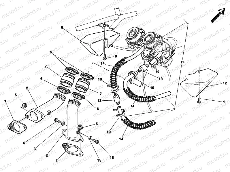
INTAKE MANIFOLD » INTAKE, CARBURETTOR

INTAKE MANIFOLD » INTAKE, CARBURETTOR
1
78810201A
pc - Intake manifold Gasket
2
14010061B
Pipe d’admission
3
85250251A
pc - Rondelle
4
713201611
SCREW M6X8
5
74940081A
2 pc - Nut
6
74141801A
Collier (40/60)
7
80110101A
Pipe d’admission
8
58510161AB
IR BOX, LH
9
707404808
Vis
10
74140381A
pc - Collier
11
59010671A
.PIPE
12
58510141AB
IR BOX, RH
13
42740031A
Filtre à carburant
14
037054985
Spring
15
025070223
10 pc - Rondelle
16
77650328A
Vis (M5x8)

Узлы для