HEADLIGHT » LIGHTING SYSTEM

HEADLIGHT » LIGHTING SYSTEM
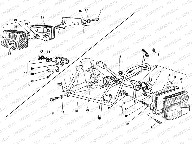
1
52040011A
COMPLETE HEADLIGHT
1
52040031A
HEAD-LIGHT LEFT DRIVE
2
52040011A
COMPLETE HEADLIGHT
2
52040031A
HEAD-LIGHT LEFT DRIVE
3
39040241A
.BULB
4
067538222
RING NUT
5
065938226
.BULB 12V 4W
6
000036231
. BULB SOCKET
7
000042927
RING NUT
8
000042928
Vis
9
77340541A
. VITE TC CON INTAGLIO PG DIN 84 CL 4.8
10
60N115504
Rondelle
11
000042932
Spring
12
096091130
Nut
13
000043790
Nut
15
85310031A
Rondelle (spring)
16
080137075
VIBRATION DAMPER
17
000053703
REAR FLASHING LIGHT
18
82910361BA
HEAD-LIGHT SUPPORT
18
82910361D
HEAD-LIGHT SUPPORT
18
82910361D
HEAD-LIGHT SUPPORT
19
74940081A
2 pc - Nut
20
800062733
SCREW TE M8X1.25X35 CH12
21
067574100
Taillight assy.
22
39040031A
5 pc - Bulb (12V 5/21W)
23
067574380
Taillight lens
24
722370721
. SCREW 2.9X32
25
037072030
BUSH
26
74950061A
2 pc - Nut
27
77251058B
pc - Vis (M6x30)
28
85250291A
Rondelle
29
800036726
.BULB 12V 10W BA15S
30
000056464
.LENS REAR BLINKER
31
800034657
SCREW TAPPING AB 2.9X19-UNI6954-71
32
067574390
Gasket

Узлы для