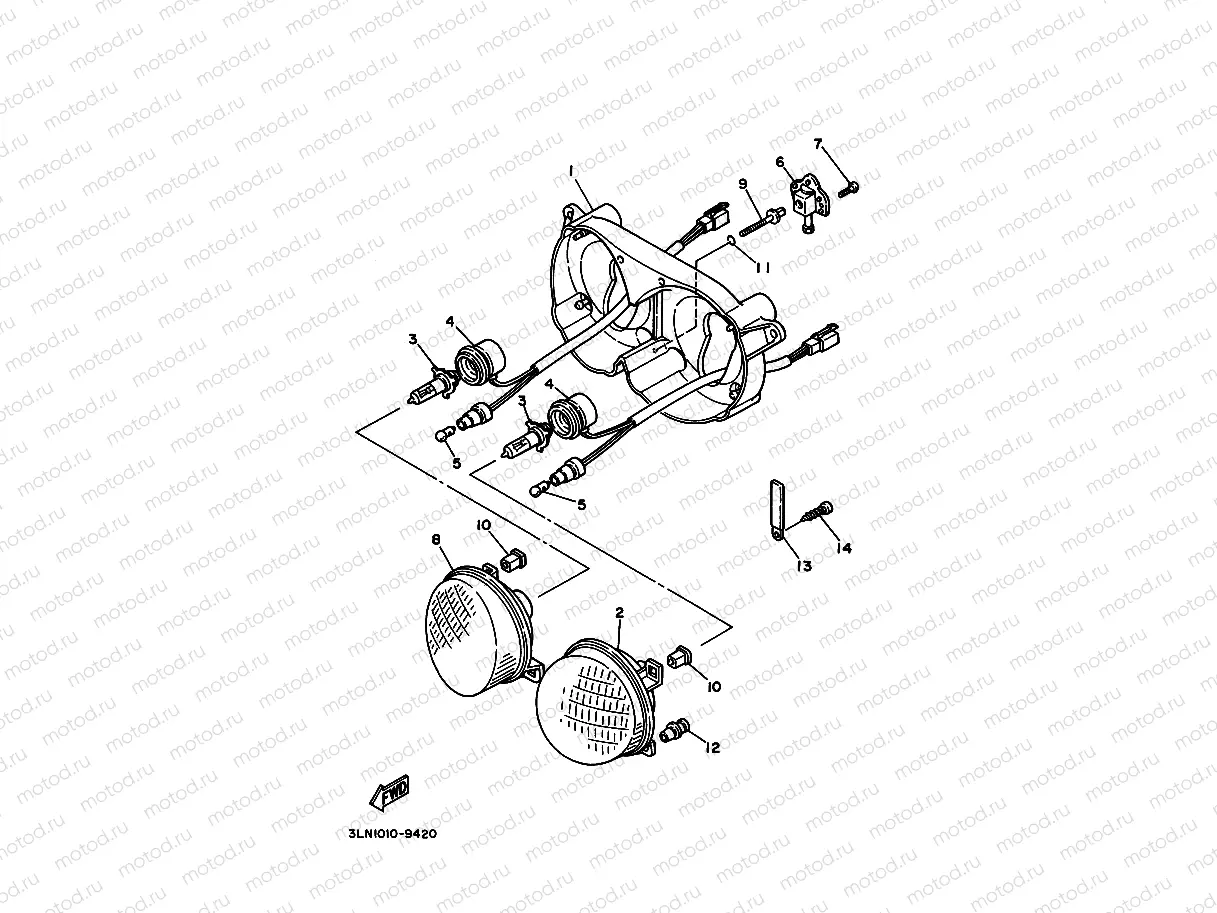
Headed Light 1 (3 LN1)

Headed Light 1 (3 LN1)

Узлы для