HANDLEBAR » HANDLE BAR

HANDLEBAR » HANDLE BAR
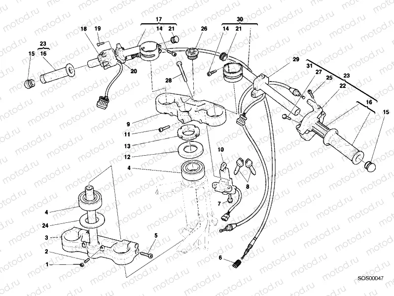
1
74750071A
pc - Nut
2
77910991B
Vis
3
34220071A
STEERING CROWN WITH PIN
4
069191010
.CONICAL ROLLERS BEARING 639174
5
65610183A
Câble de gaz
6
79910581A
SPRING, STARTER CABLE
7
77210601A
pc - Vis
8
59840113A
Clé Vierge
9
34110241A
STEERING HEAD
10
65240023A
KEY-OPERATED SWITCH
11
77151278B
pc - Vis
12
069137020
Rondelle (SPECIAL)
13
079537120
RING NUT
14
77150678B
pc - Vis
15
87240281A
pc - Handlebar weight
16
65620121A
Poignées
17
36020321A
HANDLEBARS ASSY 750S STEEL
18
65140072A
Handlebar switch (Left)
18
65140072A
Handlebar switch (Left)
19
77752103A
pc - Vis
20
65520062A
STARTER CONTROL
21
87240291A
.PLUG
22
65840041A
.CAP, GRIP UPPER
23
65420031A
THROTTLE CONTROL
24
85210961A
Rondelle
25
800066774
10 pc - .SCREW TCIC M4X0.7X8
26
87310351A
.PLUG
27
77250231A
pc - Vis
28
60N102590
Vis
29
65040061B
Handlebar switch (Right)
30
36020321A
HANDLEBARS ASSY 750S STEEL

Узлы для