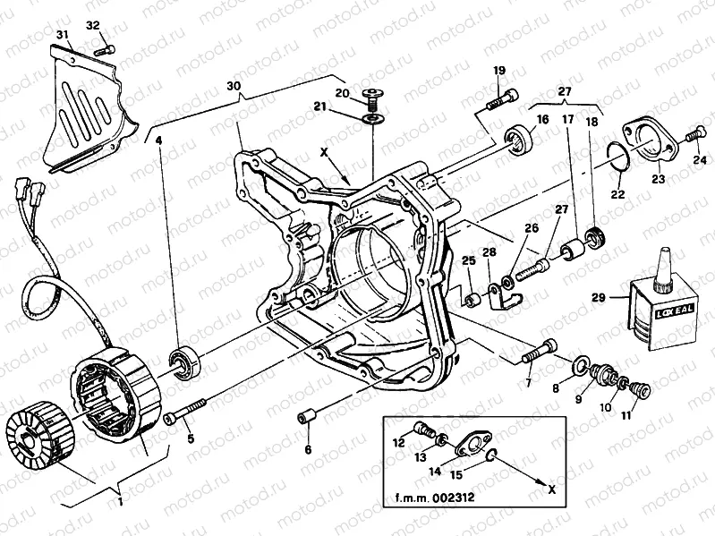
GENERATOR COVER FM <007088 » IGNITION SYSTEM

GENERATOR COVER FM <007088 » IGNITION SYSTEM
1
26420471A
GENERATOR DENSO
4
70250081A
Roulement
5
77350738B
Vis
6
71111601A
5 pc - Dowel pin
7
77110471A
pc - Vis
8
22032083A
Rondelle
9
70310181A
FAIRLEAD RING NUT
10
067046030
5 pc - .FAIRLEAD
11
067046040
.PLUG
12
706205212
Vis
13
85350081A
Rondelle (spring)
14
82710051A
Couvrir
15
88641721A
.O-RING 1.78X14
16
25410011A
.LENS, IGNITION INSPECTION
17
774993421
pc - BUSH
18
93042691A
Joint
19
77110518B
pc - Vis
20
77910262A
.SCREW M12X1
21
85250261A
pc - Rondelle
22
88640351A
2 pc - O-Ring
23
69923631A
Couvrir
24
77750493C
10 pc - Vis
25
71312411A
0 pc - Entretoise (6.2X10X7)
26
85211761A
0 pc - Rondelle
27
83014941B
CLAMP, WIRE
28
77150722B
Vis
29
942470014
Gasket - silicone sealant
30
24220041B
COMPLETE GENERATOR COVER
31
24710831A
Sprocket cover
32
77150648B
pc - Vis

Узлы для