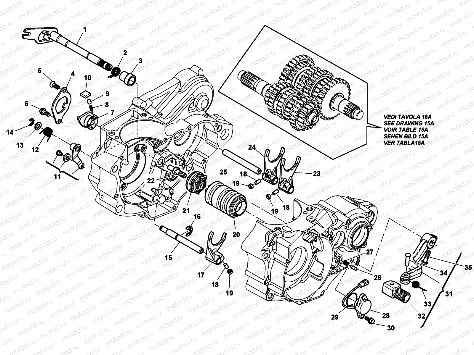
GEAR SHIFT (TE-TXC)

GEAR SHIFT (TE-TXC)
1
8000A6554
GEAR SELECTOR SHAFT
2
8000A7329
SPRING, GEARSHIFT RETURN
3
8000A7328
BUSH
4
8000A7318
PLATE
5
Y00028327
Vis
6
Z00062726
Vis
7
8000A7314
CENTER DRUM
8
SPMV800071009
pc - SPRING, PUNTALE D0.5 D3.8
9
800071008
SPRING SUPPORT
10
8000A7315
PAWL
11
8000A7320
STOPPER LEVER ASSY
12
8B00A7325
Spring
13
8C0034292
Rondelle
14
66N021310
Sicherungsring
15
8000A7312
BAR, SHIFT FORK GUIDE
16
66N021312
SPRING RING18.5X9X1.1
17
8000H4514
GEAR SELECTOR FORK
18
8000A7310
PIN
19
8000A7311
ROLLER
20
8000A7304
DRUM GEARSHIFT
21
8000A7305
CAM-CHANGE DRUM
22
8000A7306
Vis
23
8000H4515
GEAR SELECTOR FORK
24
8000H4516
GEAR SELECTOR FORK
25
8000A7313
BAR, SHIFT FORK GUIDE
26
800042676
PIN, POSITIONING GEARSHIFT SEN
27
800042677
Spring
28
8000A6751
SENSOR ASSY, GEAR POSITION
29
8A0042700
O-RING 23.52X1.78
30
Z00067997
Vis
31
8000A3488
Gear change pedal
32
8A00A3485
RM
33
800070216
Spring
34
800099744
RIVET 6X22 UNI 748
35
0025060206
Vis

Узлы для