GEAR CHANGE MECHANISM » UNCLASSIFIED

GEAR CHANGE MECHANISM » UNCLASSIFIED
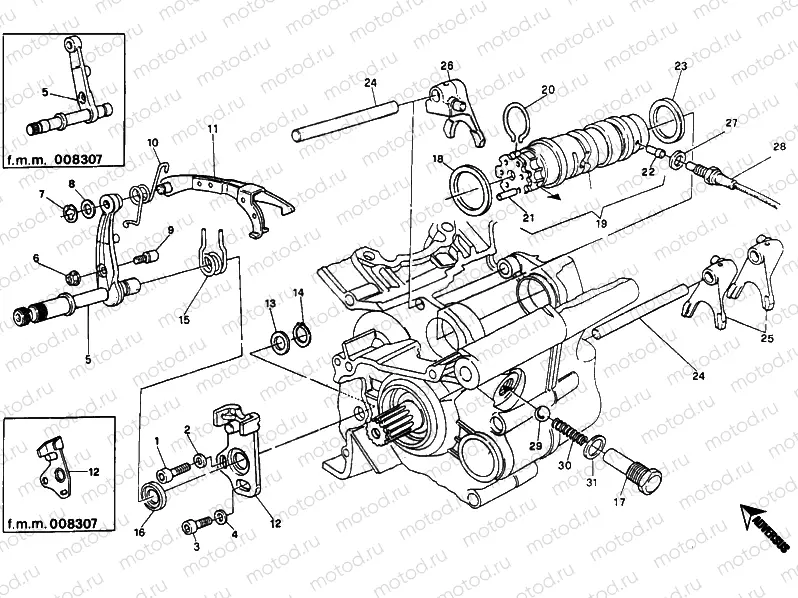
1
77150678B
pc - Vis
2
85211721A
Rondelle (6x14.2x1.3)
3
77151238C
0 pc - Vis (M8x18)
4
85310021A
pc - Rondelle (spring)
5
82110011A
GEAR SELECTOR SHAFT
5
82110011A
GEAR SELECTOR SHAFT
6
74810401A
20 pc - Nut
7
88450341B
pc - . SPRING RING
8
076592205
.THRUST WASHER 10.5X15X0.2
9
066013165
.GEARCHANGE LEVER PIN
10
79912961A
Return spring
11
18020261A
CONTROL FORK
12
82610261A
STOPPER PLATE
12
066013250
STOPPER PLATE
13
040029126
.THRUST WASHER 15.5X22X0.5
14
735001542
Seeger
15
79915061A
SPRING, SHIFT RETURN
16
88110121A
CENTERING RING
17
77912033A
.SCREW M16X1.5
18
066013060
.THRUST WASHER 45.2X49X1.0
18
066013061
.THRUST WASHER 45.2X49X0.2
18
066013062
.THRUST WASHER 45.2X49X0.3
19
18220081A
CAM, GEAR SHIFT
20
88210061A
.NEEDLE RETAINING RING
20
066013057
NEEDLE RETAINING RING
21
82110701A
.SPECIAL ROLLER
21
066013050
SPECIAL ROLLER
22
066013045
2 pc - WARNLIGHT CONTROL PIN
23
066013065
THRUST WASHER
23
066013066
THRUST WASHER
23
066013067
THRUST WASHER
24
82113881A
FORK PIN
25
067013075
SHIFT FORK 1A,3A-2A
26
067013080
SHIFT FORK 4A,5A
27
42020008A
10 pc - Rondelle
27
85211971A
Rondelle (COPPER)
27
050403085
.GASKET 1.5 MM
28
53910072A
Swich Neutral light
29
768351134
0 pc - .BALL 11MM
30
066013143
pc - GEAR SELECTOR SPRING
31
027291090
pc - .GASKET 16.2X24X2

Узлы для