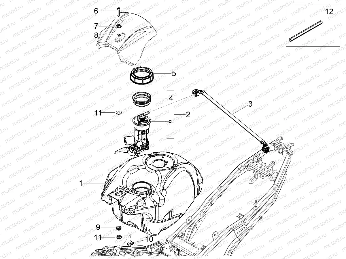
Fuel tank

Fuel tank
1
2B008201
SERBATOIO CARBURANTE GREZZO
2
2D000605
POMPA BENZINA
3
2B008232
TUBO CARBURANTE COMPLETO
4
656003
Gasket
5
576546
Ring nut
6
AP8150285
pc - Vis
7
AP8150536
Rondelle
8
AP8121032
5 pc - Entretoise
9
AP8144713
Rubber spacer
10
254485
Clip nuts (M6)
11
898715
Entretoise
12
2B000909
Gasket

Узлы для