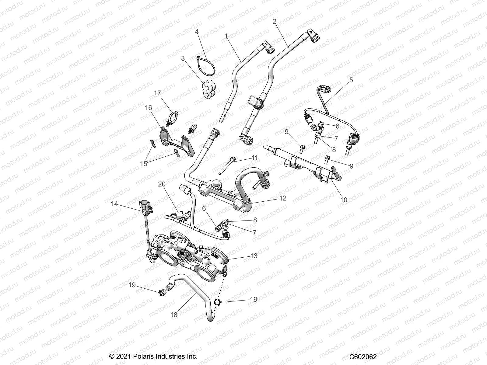
FUEL SYSTEM | FUEL SYSTEM, RAIL, LINES and THROTTLE BODY - S22TGM8MS/8ME/TGW8MS/8ME ALL OPTIONS (C602062)

FUEL SYSTEM | FUEL SYSTEM, RAIL, LINES and THROTTLE BODY - S22TGM8MS/8ME/TGW8MS/8ME ALL OPTIONS (C602062)
1
2522294
ASM-FUEL LINE SUPPLY PFA PROG
2
2522295
ASM-FUEL LINE RETURN PFA PROG
3
5418043
HOSE-SUPPORT
4
7080138
CABLE TIE
5
4019294
HARNESS-TB INJ W/LEAD 840T
6
1500198
O-RING
7
5412891
O-RING BOSCH E10076
8
5436287
BUSHING-RUBBER INJ ELASTOMER
9
7518637
SCR-M6X1.0X16.0MM HEX-FL-Y/D
10
2522340
ASM-TB FUEL RAIL 840T
11
7520849
SCR-M7X1.00X63 HX/SOC/SEMS10.9
12
2522341
ASM-CYL FUEL RAIL 840T
13
1206249
ASM-THROTTLE BODY 840T
14
LR--
CALIPER, BRAKE, RH
15
7518086
SCR-SOCHD M5X25
16
5458242
RETAINER-INJECTOR HARNESS
17
7081496
CLIP-ROUTING
18
5417701
HOSE-TB HEATER
19
7082198
SPRINGBAND CLAMP 14.0/10
20
4019946
HARNESS-CYL INJ W/LEAD 840T

Узлы для