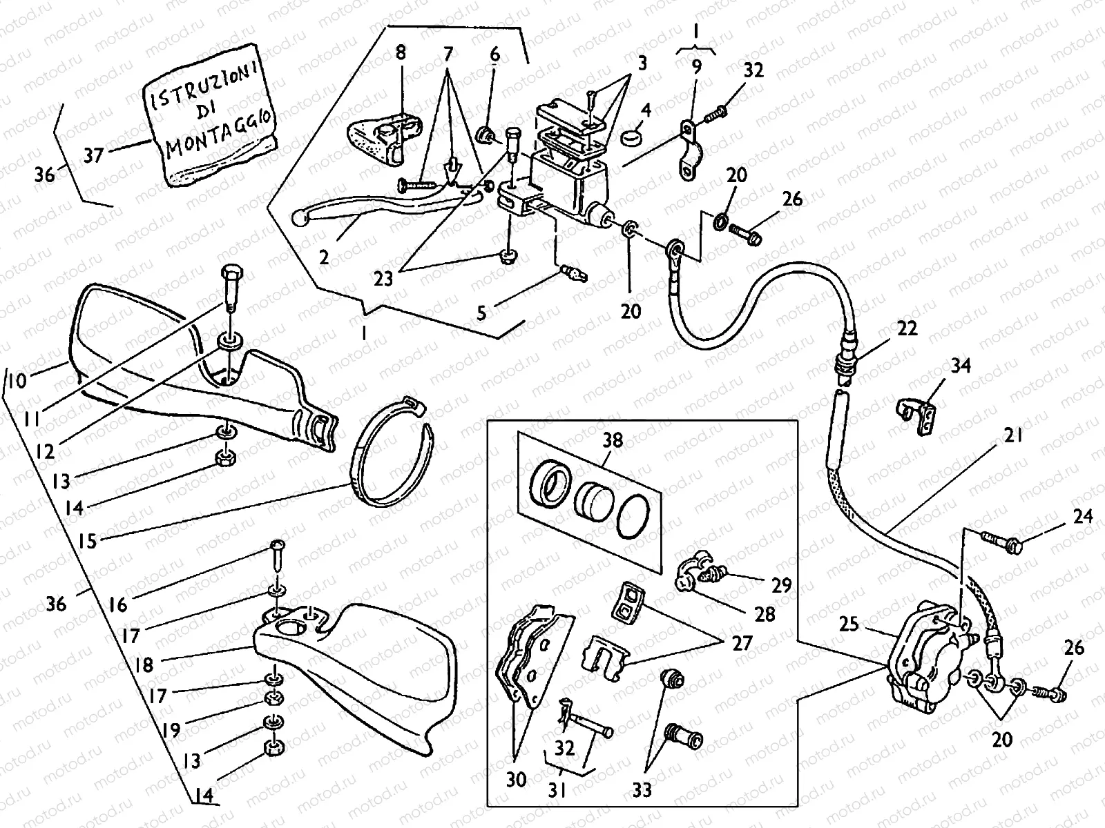
FRONT BRAKE "TEE"

FRONT BRAKE
1
8B0077740
FRONT MASTER CYLINDER
2
800079096
Levier de frein
3
50213012000
COVER CPL.
4
800079099
ANTIEMULSION
5
800095248
SWITCH ASSY FRONT STOP
6
800049654
SCREW KIT
7
50213021000
ADJUSTING SCREW CPL.
8
800079098
DUST COVER
9
80A079068
BRACKET
10
80A086523
RIGHT HAND-GUARD
11
800086515
SCREW M6X38.5
12
62N115506
Scheibe
13
800056359
Rondelle
14
Z00061313
Nut
15
SPMV800056444
pc - CLAMP, PLASTIC
16
8CA050798
SCREW TCIC M4X0.7
17
800047662
WASHER 9X4X0.8
18
800094609
LEFT HAND GUARD
19
61N115191
Mutter selbstsichernd
20
SPMV800021480
pc - WASHER, COPPER, D14XD10,2XE1
21
800087053
FRONT BRAKE HOSE
22
800071806
GROMMET, CABLE GUIDE
23
50213015000
LEVER SCREW CPL.
24
8A0069056
10 pc - Vis (M8X1.25X45)
24
800062733
Screw (M8x35mm) (M8x35mm)
25
800085998
FRONT BRAKE CALIPER (Front)
26
800057155
BRAKE CALIPER NIPPLE
27
800079065
SPRING SET
28
SPMV800053259
COVER, RUBBER
29
800060404
DRAIN KIT
30
50313030000
Plaquette de frein
31
800085999
PAD PINS OVERHAUL SET
32
Z00062729
Vis
33
54613218100
CUP SET SHORT
34
800090104
GUIDE, BRAKE HOSE
36
800094614
HAND-GUARD SET
37
800086258
ASSEMBLING INSTROCTIONS
38
8000A0930
PISTON ASSY, CALIPER

Узлы для