Frame Fittings(Front)

Frame Fittings(Front)
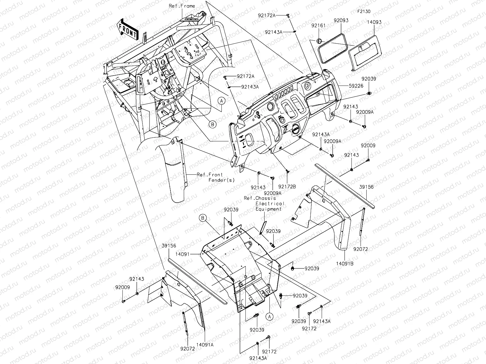
14091
14091-0408
COVER,FLOOR,CNT
14091
14091-0424
COVER,FLOOR,SIDE,LH
14091
14091-0425
COVER,FLOOR,SIDE,RH
14093
14093-0396
COVER,GLOVE BOX
39156
39156-0071
PAD
59226
59226-0743
PANEL-CONTROL
92009
92009-1166
Vis
298 ₽/шт
92009
92009-1621
5 pc - Vis (6x16)
92039
92039-0776
RIVET
92072
92072-0042
BAND
92093
92093-0658
SEAL,6X10
92143
92143-1057
Entretoise
289 ₽/шт
92143
92143-1087
Entretoise
238 ₽/шт
92161
92161-0568
Damper
92172
92172-0002
5 pc - Vis (6x18)
119 ₽/шт
92172
92172-0236
Vis (6x16)
92172
92172-0711
Vis (6x16)

Узлы для