FINAL BEVEL GEAR (FRONT)('~05/10)

FINAL BEVEL GEAR (FRONT)('~05/10)
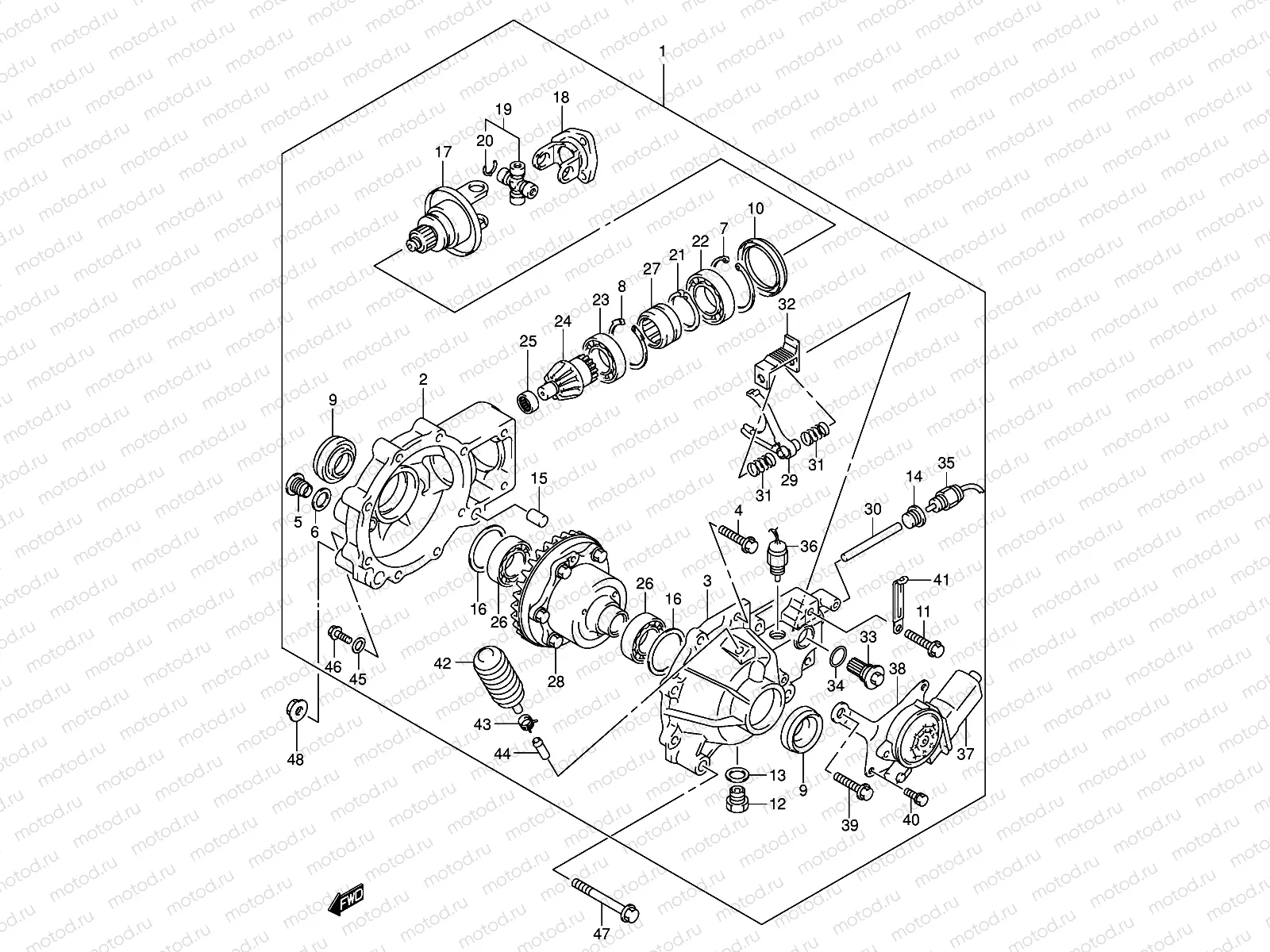
1
CASE ASSY, FRONT DIFFERENTIAL
2
HOUSING, FINAL DRIVE FR
3
COVER FINAL DRIVE, FRONT
4
BOLT (8X30)
5
27409-38FA0
Plug
6
27407-31GA0
Shim set,final
7
27403-38FA0
Ring snap
8
27403-38FB0
Ring snap
9
27406-38FD0
Oil seal
10
27406-38FB0
Oil seal
11
BOLT (6X12)
12
27409-38FB0
Plug
13
27407-38FB0
Rondelle
14
PLUG
15
COLLAR
16
27445-38FA0
Shim set
17
27130-03GA0
Yoke assy
18
27161-03GA0
Yoke,prop shaft
19
27200-19811
JOINT SET,UNIVERSAL
20
09380-20016
Circlip
21
27403-38FC0
Snap ring
22
27405-38FA0
Roulement
23
27405-38FB0
Roulement
24
27311-03GA0
PINION.DRIVE LT-F500
25
27405-38FC0
Roulement
26
27405-38FD0
Roulement
27
SLEEVE
28
27320-03GA0
EAR ASSY LT-F500
29
27941-03GA0
Vork schakel
30
ROD, SHIFT
31
SPRING, SHIFT
32
27911-03GA0
Bracket,rod
33
27931-03GA0
ear,shift
34
27406-03GA0
Seal
35
27425-03GA0
Switch assy,2wd
36
27425-03GB0
Switch assy,4wd
37
27421-03GA0
Dvc assy
38
BRACKET SET, ACTUATOR
39
BOLT (8X45)
40
CLIP
41
27491-38F00
Case,breather
42
09401-08413
Collier
43
09364-08003
UNION
44
27407-38FD0
Rondelle
45
27409-38FC0
Plug,level
46
09103-10148
BOLT(10X110)
888 ₽/шт
47
08319-31107
Гайка
210 ₽/шт
48
09407-14403
КЛЕММА
221 ₽/шт

Узлы для