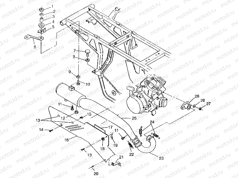
EXHAUST SYSTEM SWEDISH 4x4 400L S948140 (4926912691A012) | EXHAUST SYSTEM SWEDISH 4x4 400L S948140 (4926912691A012)

EXHAUST SYSTEM SWEDISH 4x4 400L S948140 (4926912691A012) | EXHAUST SYSTEM SWEDISH 4x4 400L S948140 (4926912691A012)
1
7542324
Nut (SELF-LOCKING)
2
7555716
Rondelle
3
5010192
BUSHING
4
5412508
DAMPENER-VIBRATION
5
5220901-067
BRKT,RH SUPPORT RACK Substituted by 5243469-067
6
5220902-067
SUPPORT R.FENDER
7
3110030
MOUNT, MOTOR
8
7542432
NUT JAM
9
5410436
Rondelle (Rubber)
10
7515316
Vis
11
7512666
Vis
12
7052083
PLUG, CLEANOUT
13
7512282
BOLT BLACK
14
7515140
Vis
15
7542141
NUT RETAINER
16
1260620
"""HEATSHIELD ASM."""
17
5810887
FOAM-FOIL,HEATSHIELD [No Longer Available]
18
7558301
WASHER FLAT
19
7670060
NUT SPEED
20
7621462
RIVET
21
5240179-067
BRKT,BLK,HEATSHIELD
22
7041687
Spring
23
1260549-029
HEADPIPE WELD.
24
7042029
Spring
25
1260588-029
"""EXHAUST WELD BLK (350)"""
26
3080530
Rondelle (Lock)
27
3087199
Nut
28
1260543-029
MANIFOLD, BLK.

Узлы для