ENGINE MOUNTING Sportsman 4x4 W948040 (4926842684A008) | ENGINE MOUNTING Sportsman 4x4 W948040 (4926842684A008)

ENGINE MOUNTING Sportsman 4x4 W948040 (4926842684A008) | ENGINE MOUNTING Sportsman 4x4 W948040 (4926842684A008)
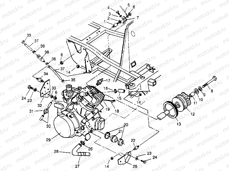
1
3022069
ISOLATOR-3/8-24M/M 65DURO
2
5430802
INSULATOR MOTOR MT.
3
7552901
Rondelle (Lock)
4
7515321
Vis
5
4010067
CABLE,GROUND/ENG.
6
7542411
NUT FLEXLOC
7
5222415-067
MOUNT,ENG.TOP
8
7512566
Vis
9
7575202
Rondelle (Lock)
10
5210748
Rondelle
11
5430261
BUSHING
12
LR--
CALIPER, BRAKE, RH
14
7542403
NUT LOCK
15
5410570
HOSE ENG UPPER
16
7080225
CLAMP-HOSE Substituted by 7080547
17
3070156
Bougie d'allumage
18
5410346
INSUL.CABLE SOL.
19
4010064
CABLE SOLENOID/STARTER
20
7080511
CLAMP NARROW BAND
21
5410883
BOOT,CLUTCH INTAKE(400)
22
3022067
MOUNT MOTOR
23
7552603
Rondelle (Lock)
24
7512490
Vis
25
1040231-067
MOUNT ENGINE
26
7080547
CLAMP,WORM DRIVE
27
7041079
SPRING HOSE RETAINER
28
5411173
HOSE LOWER ENGINE
29
1211547
ENG.EC38PL-01 Substituted by 3084718
30
8360009-600
LINE FUEL 1/8 ID 600 CM.
31
7051011
VALVE CHECK
32
5240542-067
MOUNT, REAR MOTOR, BLK.
33
7555801
Rondelle
34
3022070
ISOLATOR-3/8-24M/M 60DURO
35
7080571
STRAP,8 IN.TYTON
36
7080236
CLAMP-HOSE
37
8450042-600
FUEL LINE,3/16 ID(600 CM.)
38
2530009
Filtre à carburant (IN-LINE)

Узлы для