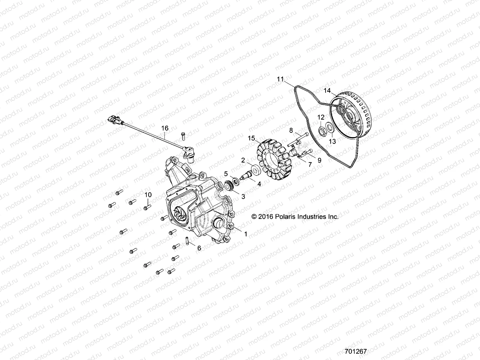
ENGINE | ENGINE, STATOR COVER AND FLYWHEEL - Z19VHA57B2/E57BM (701267)

ENGINE | ENGINE, STATOR COVER AND FLYWHEEL - Z19VHA57B2/E57BM (701267)
1
2204736
KIT-IGNITION CVR
2
3514696
BEARING-SHAFT WATERPUMP
3
3610173
SEAL-WATERPUMP SHAFT WATER
4
5138035
SHAFT-PUMP DRIVE G-1CYL
5
5411197
SEAL TYPE S ARS
6
7052524
FITTING-6MM BRASS
7
5254832
GUIDE-STATOR LEAD
8
7510005
SCR-M6X1.0X40 HX/SOC/CP-Y/D
9
7517847
SCR-M5X0.8X10 SOC/CP-D
10
7518576
SCR-M6X20 HXFLG 0600214
11
5414329
GASKET-STATOR COVER
12
7547488
NUT-HEX M18X1.5 4 JAM RH
13
7556878
WASHER-19X34X3 HARD
14
4016073
FLYWHEEL
15
4014406
STATOR
16
2411719
SENSOR-CRANK POSITION

Узлы для