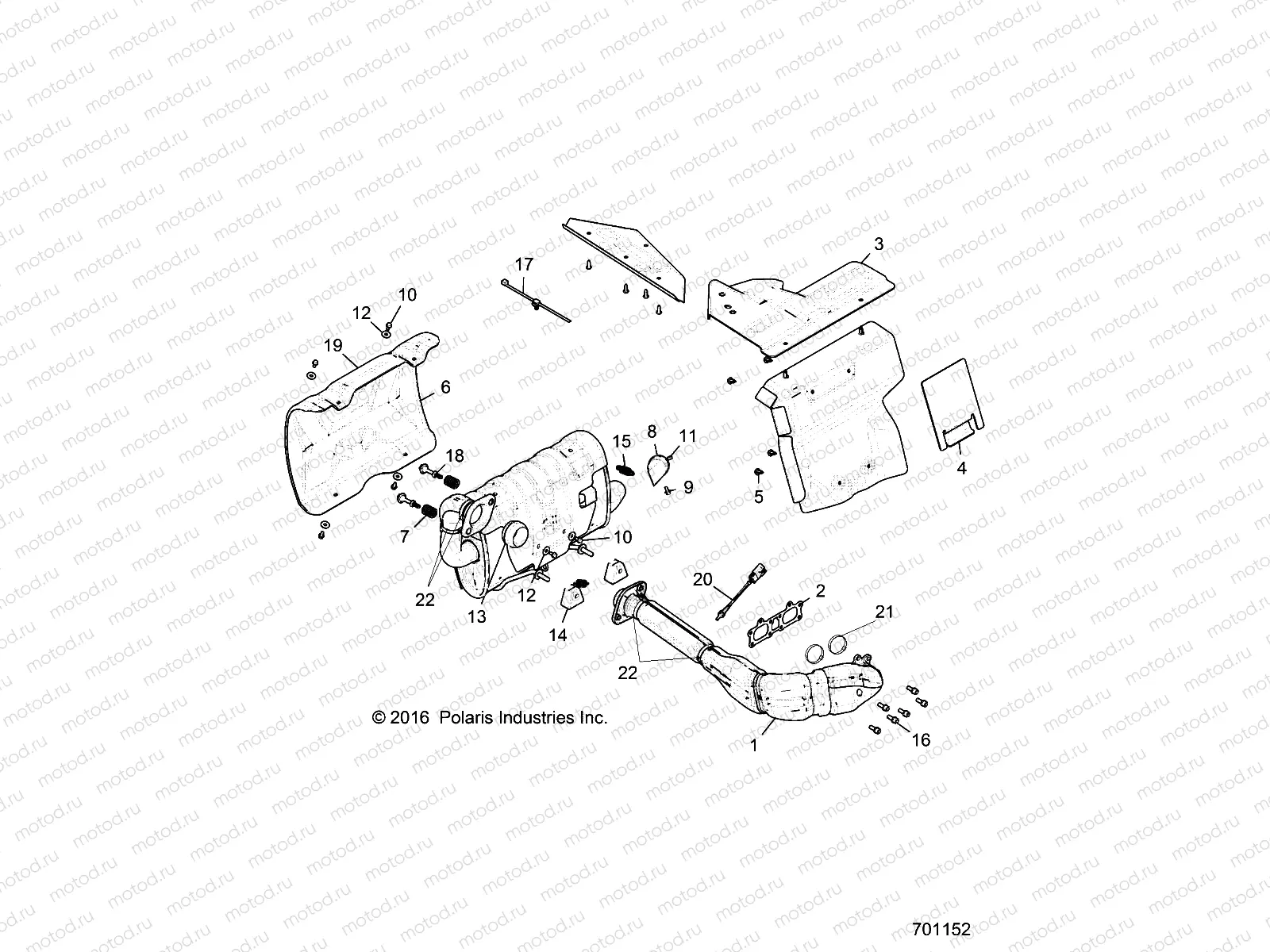
ENGINE | ENGINE, EXHAUST SYSTEM - Z18VBE99BW (701152)

ENGINE | ENGINE, EXHAUST SYSTEM -  Z18VBE99BW (701152)
1
1262674
ASM-HEADPIPE
2
3610184
Exhaust gasket
3
5814042
SHIELD-FRONT BOX
4
5814082
SHIELD-ACCESS PANEL
4
5814648
SHIELD-ACCESS PANEL
5
7518529
SCR-M6X1.0X20 HXHD FLG TDFM BL
6
1262670
ASM-SILENCER
7
7044274
SPRING-SPHERICAL EXHAUST
8
1262123
WELD-SPARK ARRESTOR AVA875
9
7517257
SCREW HXFLGHD M6X12
10
7518490
SCR-1/4-20X1/2 TFM HW-M
11
7547120
Nut
12
7555935
Rondelle
13
3610248
GASKET-DOUBLE SPHERICAL 2
14
5450115
MNT-ISOLATOR
15
7041789
Spring
16
7518984
SCR-M8X1.25X22 HX/SO
17
7081496
CLIP-ROUTING
18
7520079
STUD-SPHERICAL EXHAUST
19
5260918-458
SHIELD-SILENCER OUTER BLK
20
4016021
SENSOR-OXYGEN
21
7081156
CLAMP HEAT SHIELD EXHAUST
22
7081579
CLAMP HEAT SHIELD EXHAUST

Узлы для