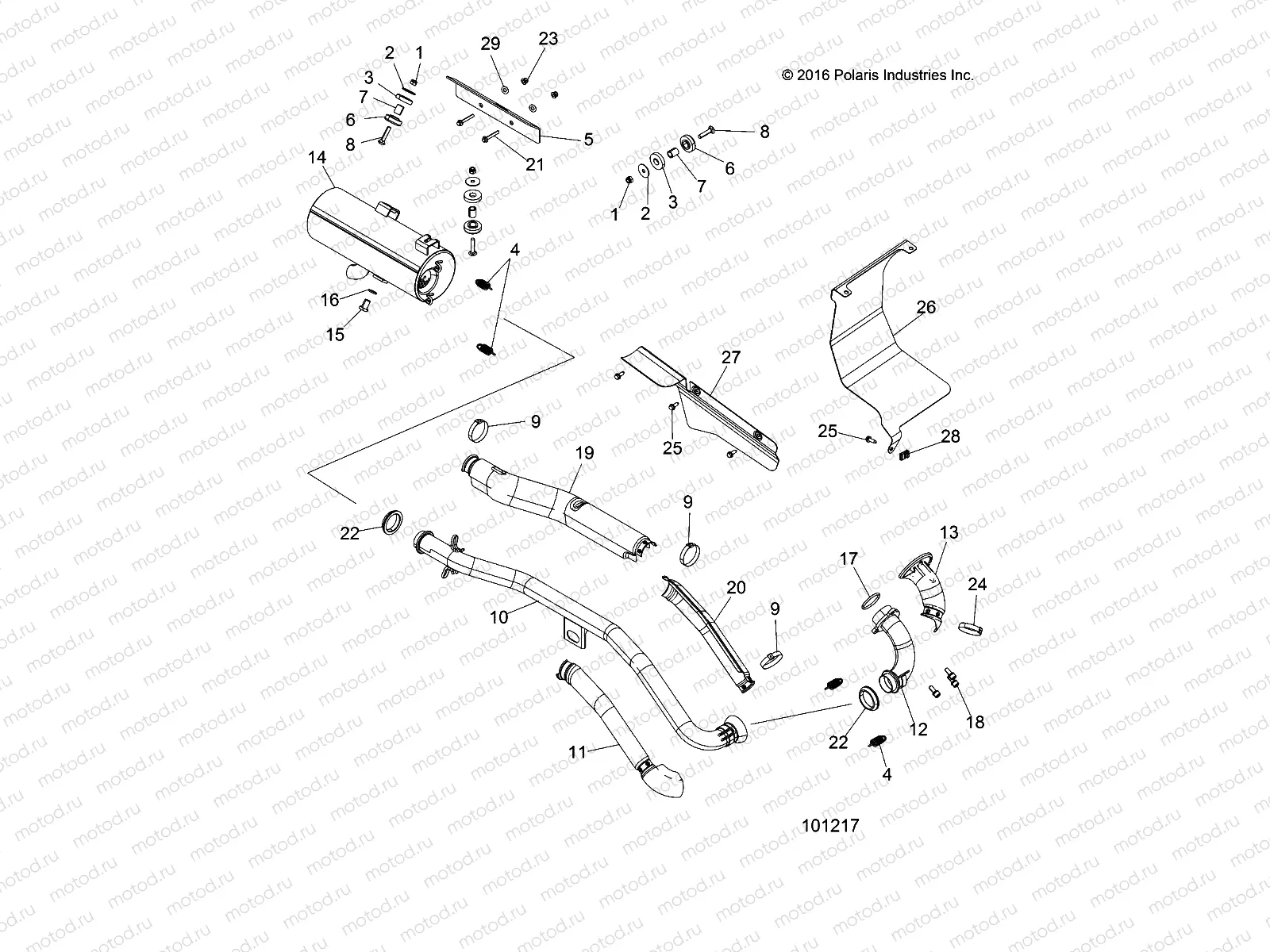
ENGINE | ENGINE, EXHAUST - A17SDS57C2/E2

ENGINE | ENGINE, EXHAUST - A17SDS57C2/E2
1
7542324
Nut (SELF-LOCKING)
2
7555716
Rondelle
3
5414945
WSHR-15.4X38.1X7.9 RUBBER
4
7041804
Spring
5
5263678
BRKT-SILENCER FRAME PLTD
6
5414946
DAMPER-VIBRATION
7
5010192
BUSHING
8
7515316
Vis
9
7080560
CLAMP HOSE S.S.
10
1263100
ASM-EXHAUST PIPE 570 EFI SS
11
5260801
SHIELD-HEAT EXHAUST MID
12
1262376
WELD-MANIFOLD
13
5260800
SHIELD-HEAT EXHAUST HEADPIPE
14
1262445-489
WELD-EXHAUST SILENCER PWDR BLK
15
7512666
Vis
16
7556230
WASHER-CLEAN OUT .51X.75X.09 (
17
5253989
Exhaust gasket
18
7517555
SCREW HXSOC
19
5265059
SHIELD-HEAT EXHAUST REAR
20
5260808
SHIELD-HEAT EXHAUST MID INNER
21
7518341
BOLT-5/16-18X1-3/4 HXFLNG GR5
22
5256385
SEAL-EXHAUST
23
7542343
NUT FLANGE
24
7082132
CLAMP-45.0DX7W 304SS OETIKER
25
7517386
Vis
26
5262925
SHIELD-FUEL TANK FRAME MNT TRG
27
5263227
SHIELD-HEAT AIRBOX
28
7670096
NUT
29
7556099
WASHER

Узлы для