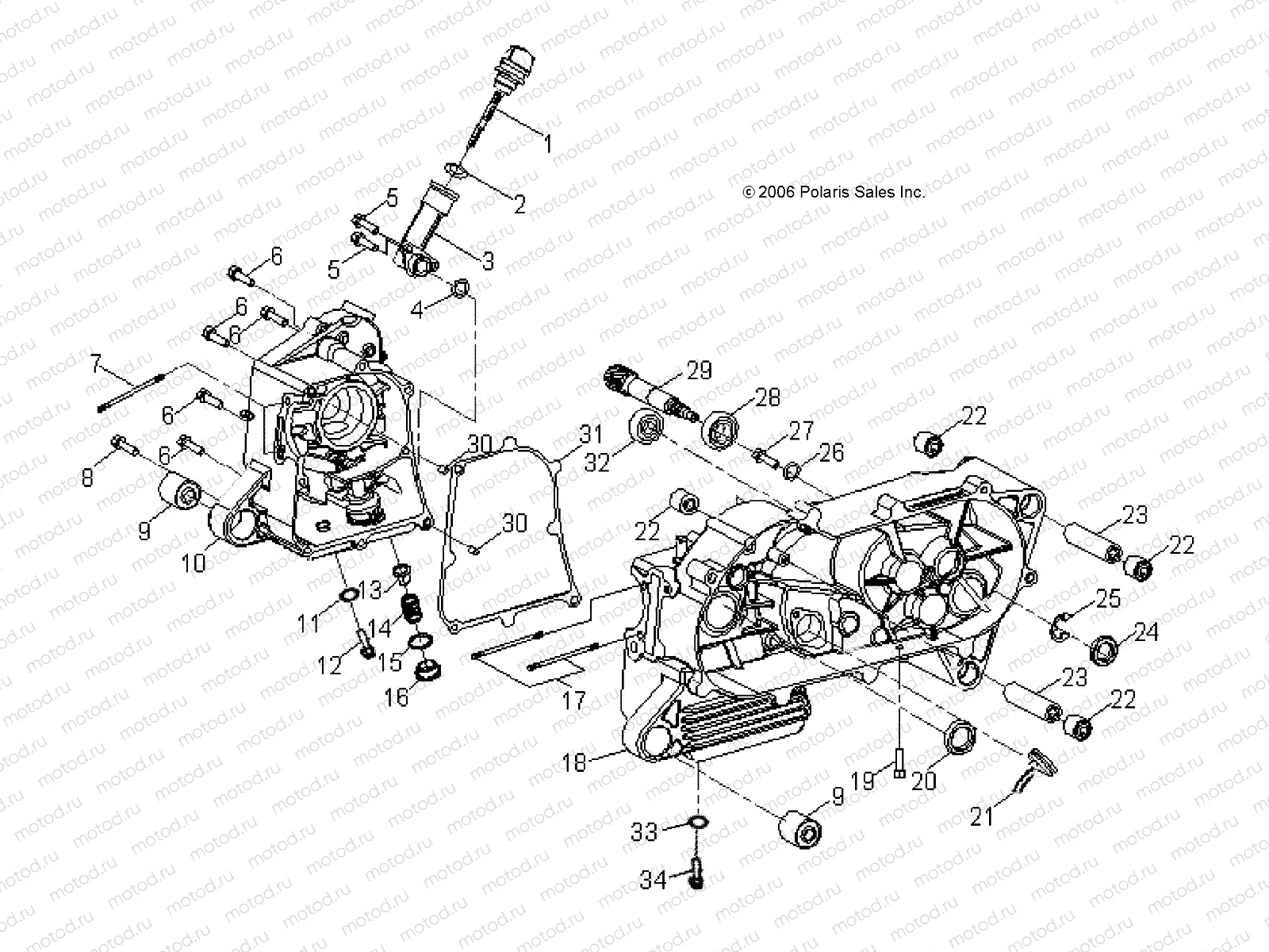
ENGINE | ENGINE, CRANKCASE - A10KA05FA/FB/FD (49ATVCRANKCASE07PRED50)

ENGINE | ENGINE, CRANKCASE - A10KA05FA/FB/FD (49ATVCRANKCASE07PRED50)
0
0454107
Asm., Engine, 4 Stroke, w/o Carb
1
0453542
GAUGE-OIL
2
0453508
O-RING-OIL DIPSTICK
3
0453611
NECK-OIL FILLER
4
0453827
O RING-ACRYLIC
5
0452413
Vis
6
0453612
Vis
7
0455438
STUD-CRANKCASE
8
0453614
Vis
9
0450587
BUSHING-RUBBER 96400-102831
10
0453615
CRANKCASE-RH
13
0452369
SCREEN-OIL
14
0452370
SPRING-OIL SCREEN
15
0452371
O-RING DRAIN PLUG
16
0452368
PLUG-DRAIN OIL
17
0455439
STUD-CRANKCASE
18
0453846
CRANKCASE-LH PREDATOR 50
19
0454069
BOLT-HEX ZINK
20
0453522
SEAL-OIL CRANKCASE
21
0453847
BUSHING-VENT RUBBER
22
0451139
BUSHING-RUBBER
23
0453617
SPACER-COLLAR CRANKCASE
24
0450200
Joint
25
0450198
CIRCLIP-EXTERNAL
26
0453460
WASHER-PLAIN
27
0450158
BOLT-SOCKET HEX
28
0450199
Roulement
29
0453456
SHAFT-DRIVE
30
0452342
Dowel pin
31
0455333
GASKET-CRANKCASE
32
0450254
BEARING-BALL
33
0452133
WASHER-FLAT
34
0452132
BOLT-HEX WASHER FACE

Узлы для