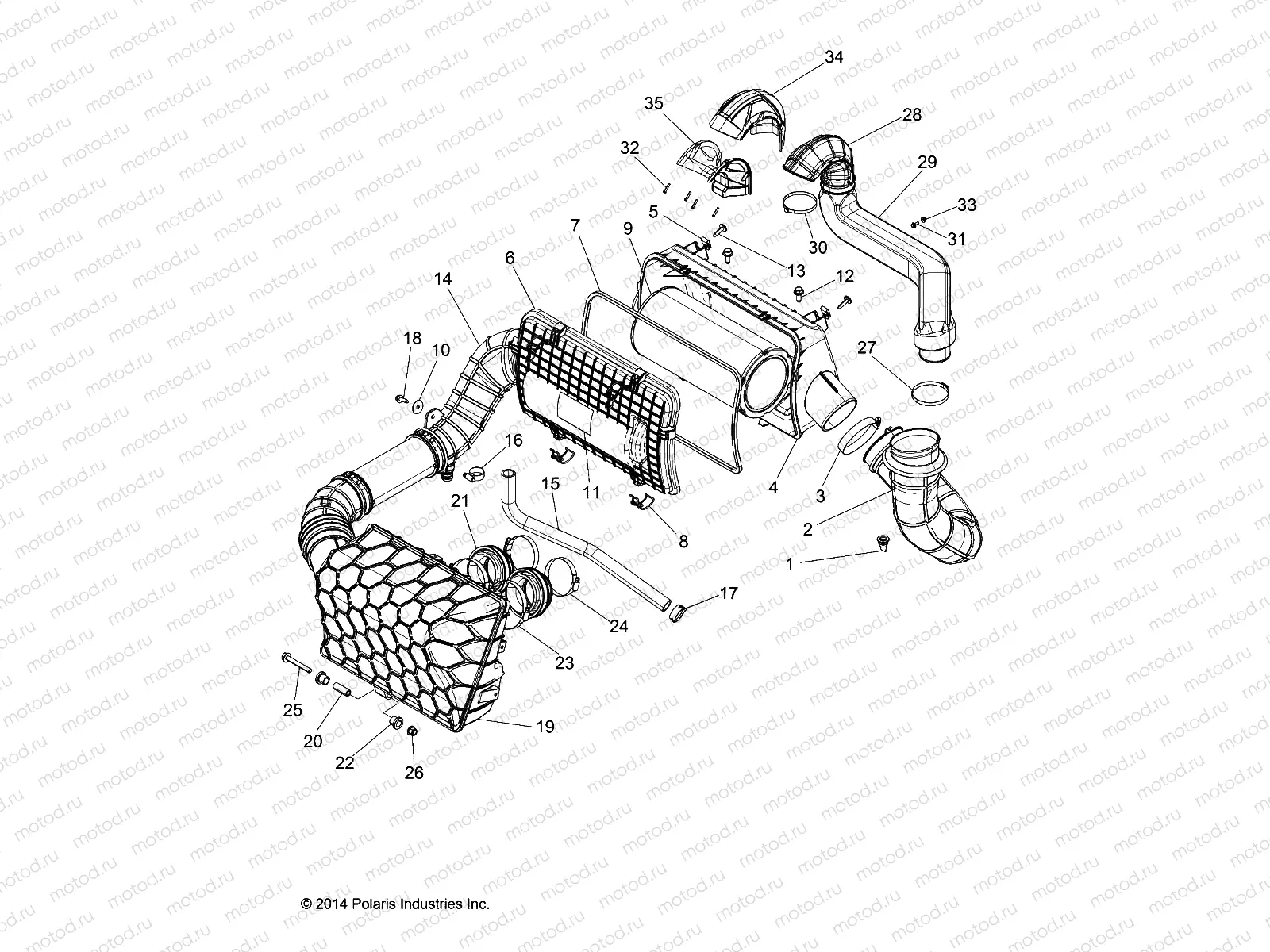
ENGINE | ENGINE, AIR INTAKE SYSTEM - Z16VDM99AM (49RGRAIRBOX151000AL)

ENGINE | ENGINE, AIR INTAKE SYSTEM - Z16VDM99AM (49RGRAIRBOX151000AL)
1
5139797
PLUG-DRAIN HC
2
5414691
HOSE-AIRBOX IN
3
7080907
CLAMP,HOSE,3.75,SS
4
1240747
ASM-AIRBOX HOUSING
5
7547674
NUT-M6-1.0 U-TYPE (2.5-3.8)(10
6
1240748
ASM-AIRBOX COVER
7
5813929
SEAL-AIRBOX
8
7081872
CLIP-AIRBOX
9
1241084
ASM-FILTER
9
2882234
K-FILTER AIR ULTRA PERF RZN
10
7556329
WASHER-.281X1.00X.051
11
7182652
DECAL-CAUT.AIR BOX
12
7518555
BOLT-M8X1.25X20 HXFLG TAP/R-OD
13
7519650
SCR-TXTH-M6X1.0X25 RIE
14
1240770
ASM-INTAKE DUCT
15
5414671
HOSE-VENT ENG
16
7080614
CLAMP HOSE
17
7080841
CLAMP SPRINGBAND 27/12 GREEN
18
7518529
SCR-M6X1.0X20 HXHD FLG TDFM BL
19
1240749
WELD-INTAKE ENG HOUSING
20
5138987
SHAFT-COMPRESSION LMTR 34.4MM
21
5414570
BOOT-THROTTLE BODY
22
5414719
BUSHING-MOUNT
23
7080812
CLAMP WORM DRIVE .44 X 3.75
24
7081623
CLAMP-HOSE
25
7519298
SCR-HXFL-M8X1.25X60 8.8 ZOD
26
7547332
NUT-M8X1.25 FLG NYLOC-OLIVE D
27
7081626
CLAMP-WORM DRIVE 3.69 DIA
28
5415215
HOSE-INLET HC
29
5451473
DUCT-ENGINE INTAKE HC
30
7081996
CLAMP-HOSE
31
7518591
SCR-HXFLGHD M6X16 0600086
32
7520164
SCR-TXPH-#10X1.0 ZPB HI/LO
33
7547453
NUT-HXFL-M6X1.0 8 ZB3 NYL
34
5451616-293
COVER-PLAST INTAKE HOSE TOP RD
35
5451617-070
CVR-PLAST INTAKE HOSE BTM BLK

Узлы для