ENGINE | ENGINE, AIR INTAKE - A17SXS95FL (100934)

ENGINE | ENGINE, AIR INTAKE - A17SXS95FL (100934)
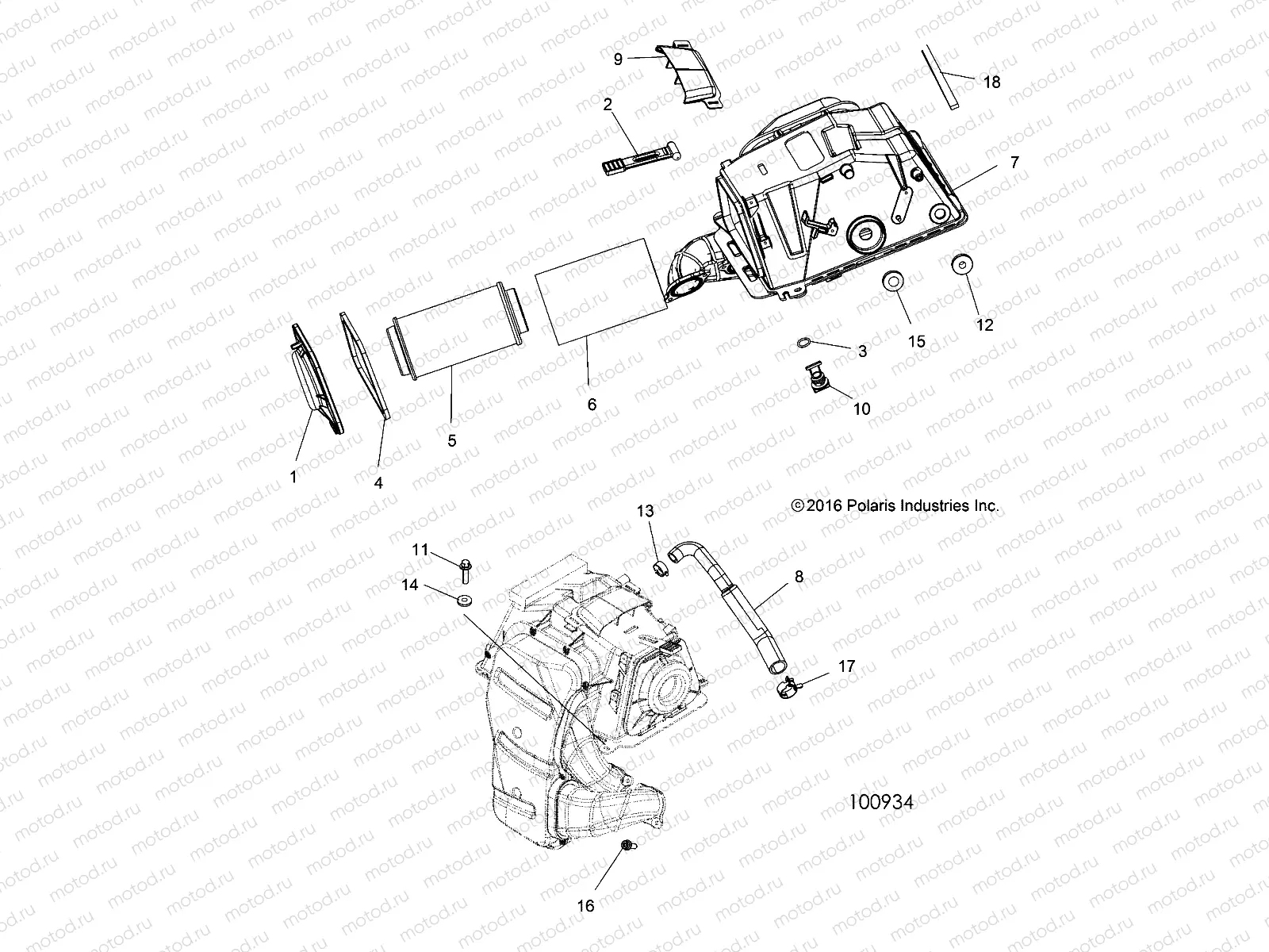
1
5438983
COVER-AIRBOX
2
5433150
STRAP
3
5414246
O-RING 20.85ODX2.5MM
4
5813359
SEAL-AIRBOX COVER
5
7082101
FILTER-AIR INTAKE
6
5811633
FILTER PRECLEAN SLEEVE
7
1240825
ASM-AIR INTAKE BOX W/RUNNERS
8
5414322
HOSE-BREATHER TWIN
9
5414252
HOOD-AIR INTAKE
10
5451429
PLUG-AIRBOX
11
7518529
SCR-M6X1.0X20 HXHD FLG TDFM BL
12
5415705
PLUG-AIR BOX MUDDER
13
7081026
CLAMP-HOSE SPRING .81
14
7555859
WASHER FLAT
15
5436346
GROMMET-AIR TEMP SENSOR
16
7518803
SCR-SOCFLGHD M6X1.0X16
17
7080842
CLAMP SPRINGBAND 29/12 BLK
18
5522220-108
SEAL-RUBBER 108MM

Узлы для