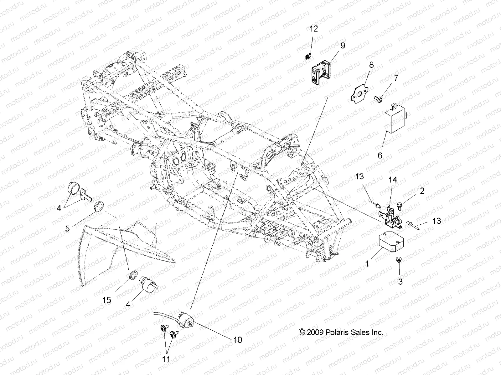
ELECTRICAL | ELECTRICAL, REGULATOR, CDI and COIL - A10GP52AA (49ATVELECT10OUT525)

ELECTRICAL | ELECTRICAL, REGULATOR, CDI and COIL - A10GP52AA (49ATVELECT10OUT525)
1
4012536
RECTIFIER-REGULATOR KOKUSAN
2
7518533
BOLT-M6X1.0X20 HXHD FLG BLK
3
7547339
NUT-M6X1.0 FLG-NYLOC-OLIVE D
4
4012163
SWITCH-IGNITION MT SLV
5
5433733
NUT IGNITION SWITCH
6
4011668
CONTROLLER-IGN KOK
7
7519066
SCR-HXFLTX-M6X1.0X15 8.8 ZOD
8
5250906
PLATE-CDI MOUNT
9
5413234
MOUNT-CDI
10
4012392
COIL-IGNITION KOK 525 ATV
11
7518196
SCR-10-24X3/4 PH/TX/TRI-SEMS Y
12
7081305
CLIP-U SPEED NUT
13
7621330
RIVET POP
14
5252711-329
BRKT-MOUNT REG/SOLENOID BLK
15
7556509
BUSHING

Узлы для