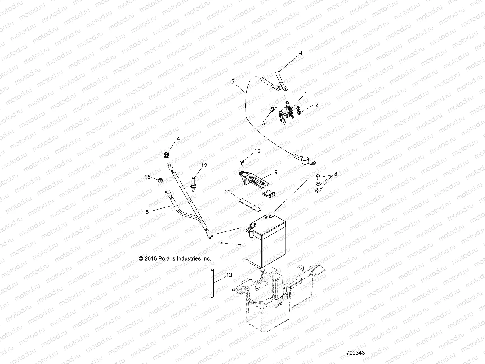
ELECTRICAL | ELECTRICAL, BATTERY - Z16VHA57A2/EAK/AS (700343)

ELECTRICAL | ELECTRICAL, BATTERY - Z16VHA57A2/EAK/AS (700343)
1
4012001
SOLENOID-STARTER-C1100
2
7547270
NUT-HXFLGHD M6 SERRATED
3
7518529
SCR-M6X1.0X20 HXHD FLG TDFM BL
4
4011498
CABLE-SOLENOID TO STARTER
5
4011497
CABLE-BATT TO SOLENOID/TERMINA
6
4014470
CABLE-GROUND ENG/BATT/CHASSIS
7
4012622
La batterie
7
4016741
La batterie
8
2201357
KIT BATTERY BOLT
8
2202213
KIT-BATTERY BOLT (LONG)
9
5438917
STRAP-BATTERY RETAINER
9
5258648
STRAP-BATTERY
10
7512098
Vis
11
5810455
PAD
12
7519333
STUD-M6X1.0X19-M6 TAPTITE
13
5435030
TUBE-BATTERY VENT 305MM
14
7547339
NUT-M6X1.0 FLG-NYLOC-OLIVE D
15
7546703
Nut (SELF-LOCKING)

Узлы для