ELECTRICAL 1

ELECTRICAL 1
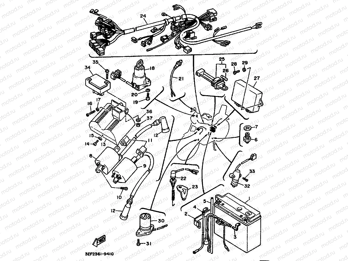
1
9079E-Y0008
La batterie (Y50N18L-A)
2
1E6-82131-00
Ремень
1 542 ₽/шт
3
42H-82115-01
Wire, Plus Lead
7 512 ₽/шт
4
42X-82116-00
WIRE, MINUS LEAD
5
90445-084J0
Pipe
1 017 ₽/шт
6
4GY-82540-10
Датчик нейтрали
2 480 ₽/шт
7
90430-10148
Прокладка
159 ₽/шт
8
42X-82310-70
Катушка зажигания
24 279 ₽/шт
9
42X-82320-70
Катушка зажигания
29 827 ₽/шт
10
90157-05M19
Винт
143 ₽/шт
11
42X-82317-00
DAMPER, IGNITION COIL
12
1J7-82370-00
Plug Cap Assembly
4 098 ₽/шт
13
42X-82314-01
COVER, IGNITION COIL
14
98517-06012
Винт
159 ₽/шт
15
92907-06600
Шайба
95 ₽/шт
16
98517-06025
Винт
127 ₽/шт
17
92907-06600
Шайба
95 ₽/шт
18
2AE-82510-00
MAIN SWITCH ASSY
19
97017-06016
Болт
111 ₽/шт
20
92907-06600
Шайба
95 ₽/шт
21
26H-83980-00
Front Stop Switch Assy
5 013 ₽/шт
22
42X-82530-02
Стопорный переключатель
3 735 ₽/шт
23
1FK-82539-00
Stay, Stop Switch
452 ₽/шт
24
3LP-82590-10
WIRE HARNESS ASSY
24
3LP-82590-00
WIRE HARNESS ASSY
25
3H5-82150-00
FUSE HOLDER ASSY
26
2H7-82151-00
Fuse
477 ₽/шт
27
3LP-82305-00
IGNITOR UNIT ASSY
27
3JK-82305-00
IGNITOR UNIT ASSY
28
97707-60520
Винт
152 ₽/шт
29
90201-063A5
Шайба
254 ₽/шт
30
3JK-85720-00
Oil Level Gauge Assembly
32 559 ₽/шт
31
91317-06016
Болт
95 ₽/шт
32
33E-82566-00
Switch, Side Stand
10 756 ₽/шт
33
98707-05016
Винт
143 ₽/шт
34
11A-82380-20
SENSOR, PRESSURE
35
98517-06030
Винт
191 ₽/шт
36
92907-06600
Шайба
95 ₽/шт
37
90170-06809
Гайка
175 ₽/шт

Узлы для