E-7 STARTER ENGINE

E-7 STARTER ENGINE
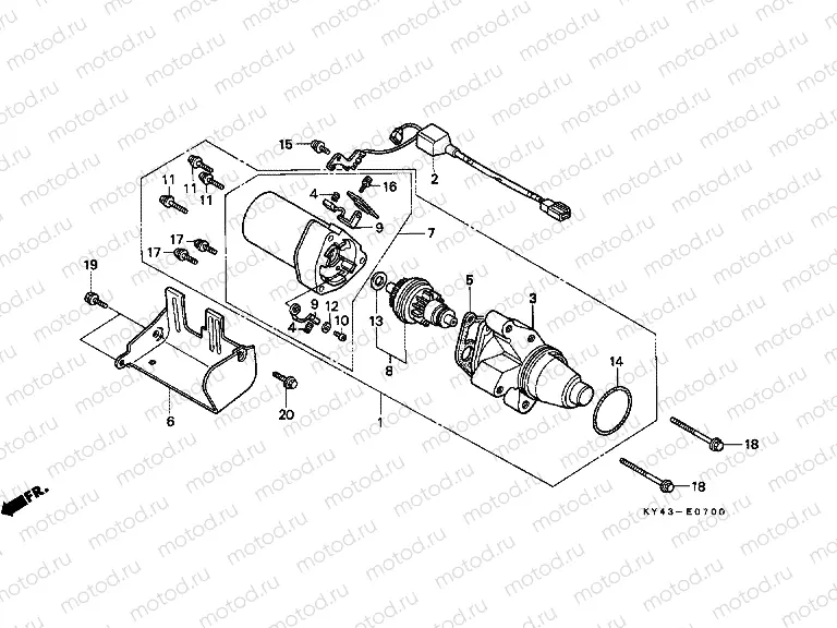
1
31200-KY4-903
Moteur de démarreur
2
31201-KY4-901
SUB HARNESS A
3
31203-KY4-901
COVER COMP., GEAR (MITSUB
4
31204-KG8-004
Spring
322 ₽/шт
5
31205-GC8-004
ASKET A
672 ₽/шт
7
31208-KY4-901
MOTOR ONLY
8
31209-KY4-902
PINION ASSY.
14 089 ₽/шт
9
32101-KY4-901
Brosses de démarreur
1 368 ₽/шт
10
90010-187-701
Vis
11
90115-KY4-901
Vis
12
90501-187-701
Rondelle (Spec.)
13
90502-187-701
WASHER, PINION
307 ₽/шт
14
91309-KG8-004
O-Ring
574 ₽/шт
15
93892-040-0608
Screw-washer
47 ₽/шт
16
93892-040-0808
Screw-washer
52 ₽/шт
17
93892-050-2008
КРЕПЛЕНИЕ
50 ₽/шт
18
95701-080-3508
БОЛТ
83 ₽/шт

Узлы для