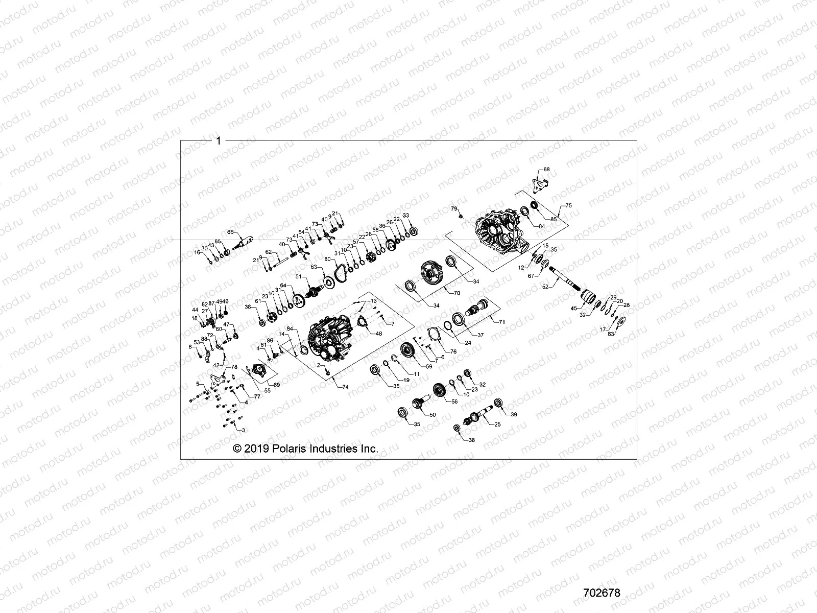
DRIVE TRAIN | DRIVE TRAIN, MAIN GEARCASE INTERNALS - Z23A5A87A2(702678)

DRIVE TRAIN | DRIVE TRAIN, MAIN GEARCASE INTERNALS - Z23A5A87A2(702678)
1
1334342
ASM-GEARCASE COMPLETE
2
3234756
PLUG-SOCKET HEAD W/MAG M18X1.5
3
3234898
SCREW-HEXFLANGEHEAD M8X1.25X30
4
3235206
Vis
5
3235207
Vis
6
3235208
SCR-M6X1.0X40 SOC/CAP(105344)
7
3235332
SCR-SCKT HD CP M6X1X18(105355)
8
3235210
NUT-M8X1.25 HXFLG NYLN(110093)
9
3234091
WASHER-CUP
10
3235211
Rondelle
11
3235212
Rondelle
12
3236410
WASHER 22.5 X 30 X 1.5
13
3234330
Dowel pin
14
7043746
SPRING-SLOTTED PIN 6MM
15
7710434
RING SNAP
16
3233045
RING RETAINING
17
3233106
RING SNAP
18
3233834
RING-RETAINING
19
3233364
RING RETAINING
20
3234269
RING RETAININGBASICINTRNL2.047
21
3234090
RING-RETAINING
22
3234205
RING RETAINING
23
3235214
RING RETAINING EXTERNAL
24
3235216
RING RETAINING
25
3235763
SHAFT-INPUT
26
3233378
WASHER THRUST
27
3234642
WASHER THRUST .446X.88X.025
28
3234272
SHIM 1.180 X .995
29
3234273
SHIM 2.040 OD X 1.630 ID
30
3235883
SPACER 19.4 X 34.0 X 2.0
31
3233014
BEARING NEEDLE
32
3233019
Roulement
33
3233020
Roulement
34
3233268
BEARING BALL
35
3234065
BEARING-BALL
36
3233384
BEARING NEEDLE
37
3235218
BEARING BALL
38
3234652
BEARING BALL
39
3235496
BEARING-6206RSH2(180630)
40
3234078
SPRING-COMPRESSION
41
3234089
SPRING-COMPRESSION
42
3234578
SPRING COMPRESSION DETENT
43
3235885
SPRING TORSION
44
3235327
WASHER-SPRING 210393
45
3234278
TUBE SNORKLE MACH
46
3233839
GEAR-SECTOR 16T
47
3233832
GEAR-SECTOR 31T-CUT TO 11T
48
3235456
PARK PLATE (270509)
49
3235982
DETENT STAR
50
3235223
SHAFT IDLER 29T
51
3235224
SHAFT REVERSE 29T
52
3236439
SHAFT, FRONT OUTPUT
53
3235581
BELLCRANK(290077)
54
3234073
COLLAR-SHIFT
55
3234230
TUBE-VENT 90-1/4 HOSE
56
3235229
GEAR 44T STAGE 2
57
3235233
DOG ENGAGEMENT 6-FACE
58
3235234
GEAR 53T
59
3235236
GEAR 46T STAGE 3
60
3235238
SHAFT SHIFT
61
3235457
SHIFT DOG PARK/LOW (353357)
62
3235542
RAIL-SHIFT SHAFT(353622)
63
3235755
SPROCKET-48T 6-FACE REVERSE
64
3235774
GEAR 64T
65
3235983
PARK CAM
66
3235984
DRUM-SHIFT MACH (354372)
67
3236412
GEAR 13T SNORKEL
68
3235399
BRACKET-WELDMENT REAR(400208)
69
3235713
COVER SECTOR GEARS MACH VENT
70
3235335
ASM-SUB OUTPUT GEAR(411753)
71
3235336
ASM-SUB PINION SHAFT(411759)
72
3235452
ROLLER PAWL
73
3235920
SUBASSEMBLY SHIFT FORK
74
3235995
SUBASSEMBLY RH COVER
75
3236542
ASM-LH(413119)
76
3235241
COVER BEARING CENTER DRIVE
77
3235350
BRKT-MOUNT(430592)
78
3235398
BRACKET MOUNT REAR
79
3234755
PLUG-SKT HD 1SO 6149 M18 X 1.5
80
3234737
CHAIN SILENT
81
4013908
SENSOR-SPEED TRANS
82
7662299
SWITCH-ROTARY 2 PIN RESISTIVE
83
3234113
SEAL-TRIPLE LIP 25X80X10
84
3235052
SEAL-TRIPLE LIP VITON 40X70X7
85
3235495
SEAL-TRIP LIP VTN HLX(560385)
86
3234302
O-RING -113
87
3233836
O-Ring
88
3233828
O-Ring

Узлы для