DRIVE TRAIN | DRIVE TRAIN, FRONT PROP SHAFT - Z16VBA87A2/AB/L2/E87AB/AR/LB/AE/AS (49RGRSHAFTPROP15RZR900)

DRIVE TRAIN | DRIVE TRAIN, FRONT PROP SHAFT - Z16VBA87A2/AB/L2/E87AB/AR/LB/AE/AS (49RGRSHAFTPROP15RZR900)
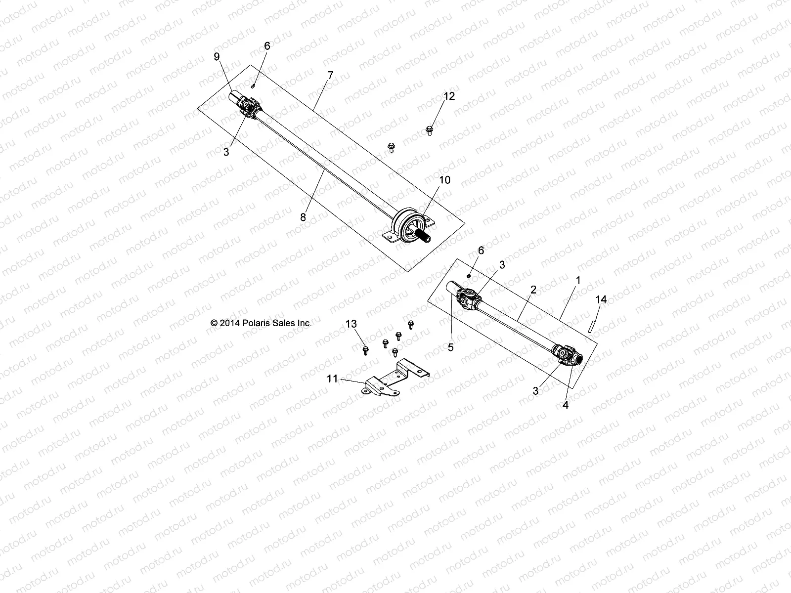
1
1333215
ASM-PROPSHAFT FRONT
2
1333221
WELD-PROPSHAFT FRONT
3
3235500
U-JOINT-1000 SERIES
4
3235502
YOKE-PIN
5
3235503
YOKE-SLIP INDEXED
6
7080424
FITTING LUBRICATION
7
1333425
ASM-PROPSHAFT REAR
8
1333222
WELD-PROPSHAFT REAR
9
3235501
YOKE-SLIP
10
3515075
ASM-BEARING FLEX
11
5258475-458
BRKT-MID PROP MOUNT BLK
12
7518460
BOLT-M10X1.5X20 HXFLG W/PATCH
13
7518555
BOLT-M8X1.25X20 HXFLG TAP/R-OD
14
7661913
PIN SPRING

Узлы для