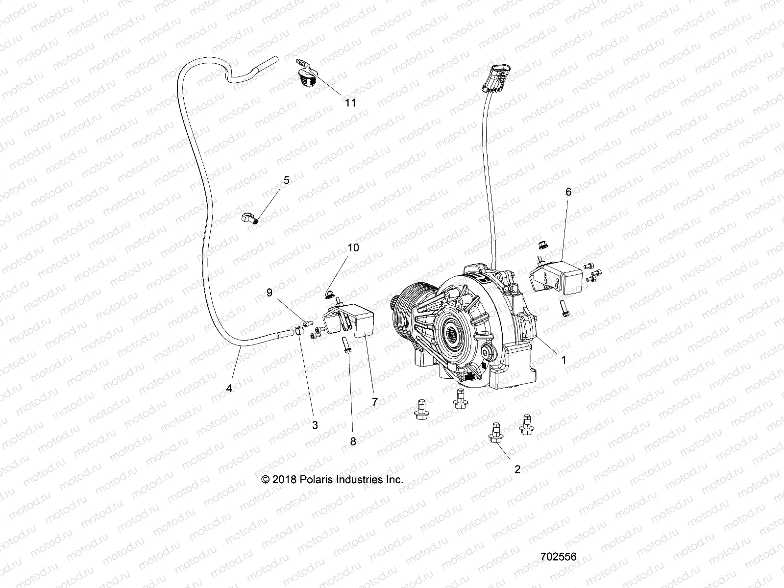
DRIVE TRAIN | DRIVE TRAIN, FRONT GEARCASE MOUNTING - R21RRP99CW (C702556)

DRIVE TRAIN | DRIVE TRAIN, FRONT GEARCASE MOUNTING - R21RRP99CW (C702556)
1
LR--
CALIPER, BRAKE, RH
2
7518460
BOLT-M10X1.5X20 HXFLG W/PATCH
3
7080307
CLAMP HOSE
4
8450153-76
LINE-BOOST 3/16 ID 76CM
5
7670102
CLIP
6
5266614-329
BRKT-MOUNT,ABS,LH,FRT WSS,BLK
7
5266615-329
BRKT-MOUNT,ABS,RH,FRT WSS,BLK
8
7518576
SCR-M6X20 HXFLG 0600214
9
7517847
SCR-M5X0.8X10 SOC/CP-D
10
7547274
Nut (M6 Lock)
11
5454069
FITTING-VENT LINE 90

Узлы для