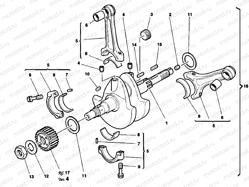
CRANKSHAFT » ENGINE CASE

CRANKSHAFT » ENGINE CASE
1
14620961A
CRANKSHAFT
2
77911092A
.SCREW, SPECIAL
3
78010161A
.THREADED PLUG M20X1
4
77950601A
.THREADED DOWEL
5
15820123A
CONNECTING RODS PAIR
6
71110071A
Plane bearing - connecting rod
7
742240570
.PIN 2.5X10 SW
8
11210261AA
Plane bearing - connecting rod (Red)
8
11210261AB
Plane bearing - connecting rod (Blue)
9
77914041A
BOLT, CONNECTING ROD
10
68010131A
pc - KEY, WOODRUFF 4X5X10
11
85211042A
.THRUST WASHER 50X35X1.9
11
85211042B
.THRUST WASHER 50X35X1.95
11
85211042C
.SHIM 50X35X2
11
85211042D
.THRUST WASHER 50X35X2.05
11
85211042E
.THRUST WASHER 50X35X2.1
11
85211042F
.THRUST WASHER 50X35X2.15
11
85211042G
.THRUST WASHER 50X35X2.2
11
85211041H
.THRUST WASHER 50X35X2.25
11
85211042I
.THRUST WASHER 50X35X2.3
11
85211042L
.SHIM TH. 2,45
11
85211042M
.SHIM TH. 2.5
11
85211042N
SHIM TH. 2.55
12
85110191A
Rondelle (Lock)
13
75011611A
.NUT
14
75010121D
Nut (Special)
15
79910512A
SPRING WASHER
16
68010131A
pc - KEY, WOODRUFF 4X5X10

Узлы для