CRANKSHAFT » ENGINE CASE

CRANKSHAFT » ENGINE CASE
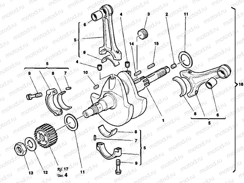
1
14620961A
CRANKSHAFT
2
77911092A
.SCREW, SPECIAL
3
78010161A
.THREADED PLUG M20X1
4
77950601A
.THREADED DOWEL
5
15820123A
CONNECTING RODS PAIR
6
71110071A
Plane bearing - connecting rod
7
742240570
.PIN 2.5X10 SW
8
11210261AA
Plane bearing - connecting rod (Red)
8
11210261AB
Plane bearing - connecting rod (Blue)
9
77914041A
BOLT, CONNECTING ROD
10
68010131A
pc - KEY, WOODRUFF 4X5X10
11
85210762A
pc - Rondelle (THRUST)
11
85210772A
Rondelle (THRUST)
11
85210782A
Rondelle (THRUST)
11
85211001A
pc - Rondelle (THRUST)
11
85211011A
Rondelle (THRUST)
11
85211121A
Rondelle (THRUST)
12
85110191A
Rondelle (Lock)
13
75011611A
.NUT
14
75010121D
Nut (Special)
15
79910512A
SPRING WASHER
16
68010131A
pc - KEY, WOODRUFF 4X5X10

Узлы для