CRANKSHAFT » ENGINE CASE

CRANKSHAFT » ENGINE CASE
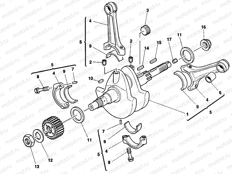
1
14620601A
CRANKSHAFT
2
77911092A
.SCREW, SPECIAL
3
78010161A
.THREADED PLUG M20X1
4
77950601A
.THREADED DOWEL
5
15820182A
CONNECTING RODS PAIR
6
066047290
Plane bearing - connecting rod
7
742240570
.PIN 2.5X10 SW
8
066047230
Plane bearing - connecting rod
8
066047235
Plane bearing - connecting rod
8
066047236
Plane bearing - connecting rod
9
77914041A
BOLT, CONNECTING ROD
10
68010131A
pc - KEY, WOODRUFF 4X5X10
11
85210762A
pc - Rondelle (THRUST)
11
85210772A
Rondelle (THRUST)
11
85210782A
Rondelle (THRUST)
11
85211001A
pc - Rondelle (THRUST)
11
85211011A
Rondelle (THRUST)
11
85211121A
Rondelle (THRUST)
12
85110191A
Rondelle (Lock)
13
75011611A
.NUT
14
14520331A
DRIVE SHAFT COMPLETO
15
79910512A
SPRING WASHER
16
75010121D
Nut (Special)

Узлы для