CRANKSHAFT » ENGINE CASE

CRANKSHAFT » ENGINE CASE
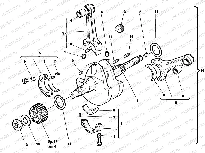
1
14620411A
CRANKSHAFT
2
77911092A
.SCREW, SPECIAL
3
89510041A
THREADED PLUG
4
77911092A
.SCREW, SPECIAL
5
15820123A
CONNECTING RODS PAIR
6
71110071A
Plane bearing - connecting rod
7
742240570
.PIN 2.5X10 SW
8
11210261AA
Plane bearing - connecting rod (Red)
8
11210261AB
Plane bearing - connecting rod (Blue)
9
77914041A
BOLT, CONNECTING ROD
10
061947050
.WOODRUFF KEY
11
85211011A
Rondelle (THRUST)
11
85210762A
pc - Rondelle (THRUST)
11
85210772A
Rondelle (THRUST)
11
85210782A
Rondelle (THRUST)
11
85211001A
pc - Rondelle (THRUST)
12
85110191A
Rondelle (Lock)
13
75011611A
.NUT
14
741010770
.KEY 4X4X10 UNI 6604
15
075929190
.WOODRUFF KEY
16
14520301A
CRANKSHAFT

Узлы для