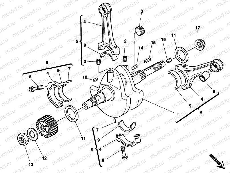
CRANKSHAFT » ENGINE CASE

CRANKSHAFT » ENGINE CASE
1
034047150
CRANKSHAFT
2
77911092A
.SCREW, SPECIAL
3
78010151A
.THREADED PLUG M16X1
4
15820182A
CONNECTING RODS PAIR
5
034047100
CRANKSHAFT
6
066047290
Plane bearing - connecting rod
7
742240570
.PIN 2.5X10 SW
8
77914041A
BOLT, CONNECTING ROD
9
066047230
Plane bearing - connecting rod
9
066047235
Plane bearing - connecting rod
9
066047236
Plane bearing - connecting rod
10
061947050
.WOODRUFF KEY
11
85210762A
pc - Rondelle (THRUST)
11
85210772A
Rondelle (THRUST)
11
85210782A
Rondelle (THRUST)
11
85211001A
pc - Rondelle (THRUST)
11
85211011A
Rondelle (THRUST)
12
85110191A
Rondelle (Lock)
13
75011611A
.NUT
14
741010770
.KEY 4X4X10 UNI 6604
15
075929190
.WOODRUFF KEY
16
77911092A
.SCREW, SPECIAL
17
74810181A
Nut

Узлы для