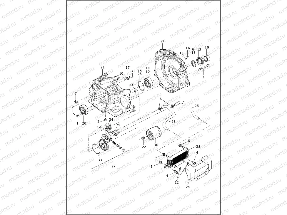
CRANKCASE, ENGINE OIL FILTER AND COOLER - TWIN CAM 103™ (2 OF 2)

CRANKCASE, ENGINE OIL FILTER AND COOLER - TWIN CAM 103™ (2 OF 2)
21
24621-06B
CRANKCASE SET, BLACK, TC, TOUR
22
26041-05A
OIL ADAPTER MOUNTING FITTING
23
35114-02
RETAINING RING
24
62533-11
COVER,OIL COOLER
25
62629-11
HOSE,RH,OIL COOLER FEED
26
62641-11
HOSE,LH,OIL COOLER RETURN
27
63059-09A
DAPTER ASY,OIL COOLER,BLK
28
63083-11A
CORE,OIL COOLER
29
63533-41A
FITTING,STRAIGHT,W/SEALANT
30
63731-99A
OIL FILTER, BLACK SUPERPREMIUM
31
68042-99
Vis
32
11900-010
O-Ring
33
11900-039
O-Ring
34
62800-013
PLUG ASY,W/O-RING

Узлы для