CRANKCASE » ENGINE CASE

CRANKCASE » ENGINE CASE
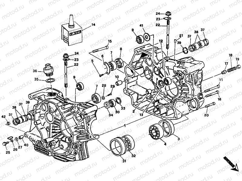
1
22520064A
CRANKCASE
2
774993421
pc - BUSH
3
066049240
BUSHING
4
751913380
Roulement
5
720941616
.SCREW TSPEI M6X12
6
82610031A
PLATE, RETAINER
7
70250191A
Roulement
8
937832552
Joint
9
70240331A
Roulement
10
71110061A
.BUSH 10.5X14X15
11
77151398B
Vis
12
751102054
.BEARING 20BC10X3 UNI 4259
13
735033804
Seeger
14
942470014
Gasket - silicone sealant
15
77151368B
Vis
16
77150772B
Vis
16
77150808B
Vis
17
066049020
BY-PASS VALVE
18
061949178
BYPASS SPRING
19
066049010
THREADED PLUG M18X1.5
20
77150722B
Vis
21
86010041A
pc - Dowel pin
22
76610012B
Stud bolt
23
85610642A
Rondelle
24
74810501A
pc - Nut (M10)
25
77251038B
Vis (M6x25)
26
82911242A
RING
27
85211761A
0 pc - Rondelle
28
000017718
Entretoise
29
77052508B
Vis
30
757941542
Roulement
31
71010052A
Entretoise
32
70240201A
Roulement
33
735033380
Seeger
34
93041233A
Joint
35
066049920
Gasket
36
59310031B
Oil breather valve
37
93041271A
pc - . SEAL RING 20X26X4
38
764000004
Needle bearing
39
88440531A
pc - .SPRING RING
40
71010321A
SPINDLE, TAPER
41
037049250
10 pc - Rondelle
42
71110721B
.BUSH, CONICAL

Узлы для