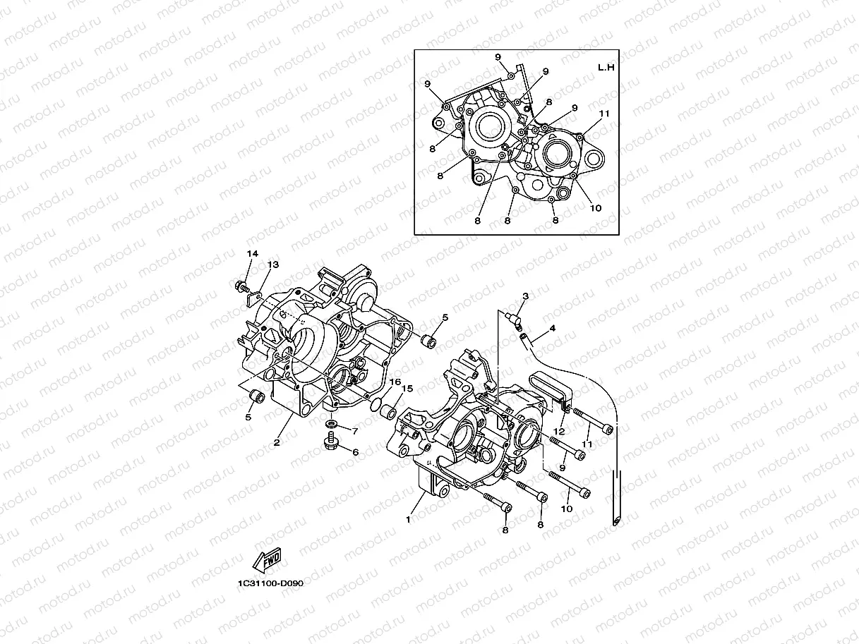
CRANKCASE

CRANKCASE
1
1C3-15111-02
Картер, левая часть
50 591 ₽/шт
2
1C3-15121-01
Картер, правая часть
52 409 ₽/шт
3
353-13115-01
Штуцер угловой
715 ₽/шт
4
90445-084J0
Pipe
1 017 ₽/шт
5
99530-10116
Втулка
95 ₽/шт
6
95022-10016
Болт
159 ₽/шт
7
90430-10171
Шайба-прокладка
120 ₽/шт
8
90110-06X81
Vis
9
90110-06X75
Vis
10
91317-06065
Болт
159 ₽/шт
11
91312-06075
Болт
159 ₽/шт
12
90461-10136
Скоба
397 ₽/шт
13
4V4-15118-00
Пластина
1 097 ₽/шт
14
95817-06012
Болт
95 ₽/шт
15
99590-17016
Втулка
604 ₽/шт
16
93210-16314
Кольцо уплотнительное
175 ₽/шт

Узлы для