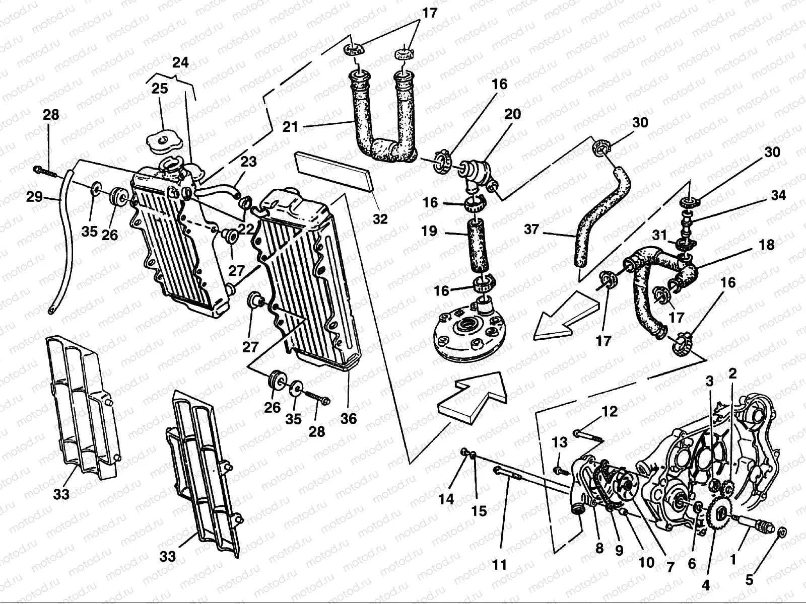
COOLING SYSTEM

COOLING SYSTEM
1
800079561
PUMP ROD
2
800065923
GEAR, WATER PUMP DRIVE
3
8A0004883
Nut
4
800065935
GEAR IMPELLER SHAFT
5
8E0034292
WASHER 14X8.2
6
8F0028960
WASHER 16X10
7
800068277
IMPELLER, WATER PUMP
8
80B083024
HOUSING, WATER PUMP
9
800065922
Gasket - water pump
10
161795501
BUSH 8X6.4X6
11
Z00062731
Vis
12
ZB0067545
Vis (M6x1-CH8-L55)
13
0025060206
Vis
14
ZS0067545
Vis
15
62ND15673
Rondelle
16
8C00H6505
ollier
17
8A00H6505
Collier
18
8000H5370
PIPE
19
8000H5366
PIPE
20
800075984
Thermostat
21
800094681
WATER PIPE, THERMOSTAT COOLER
22
800056462
Collier
23
8000H5371
BY PASS PIPE
24
8000A7974
RADIATOR, WATER,RH
24
8000A7970
RADIATOR, WATER,RH
25
800079077
CAP, RADIATOR TOYO
25
8000A7972
RADIATOR CAP
25
8000A7975
RADIATOR CAP
26
800059803
Damper
27
8D0059802
SPINDLE, TAPER
28
Z00062729
Vis
29
947200006
HOSE, RUBBER
30
8000H6505
Collier
31
8B00H6505
Collier
32
800087072
VIBRATION DAMPER
33
8AA0A0872
GUARD, RADIATOR
34
800094680
JOINT, HOSE
35
Z00059801
Rondelle
36
8000A7973
RADIATOR WATER LH
36
8000A7971
Radiateur - refroidisseur d’eau (LH)
37
8000H5369
PIPE

Узлы для