Carburetor-nozzles/gasket set carb.

Carburetor-nozzles/gasket set carb.
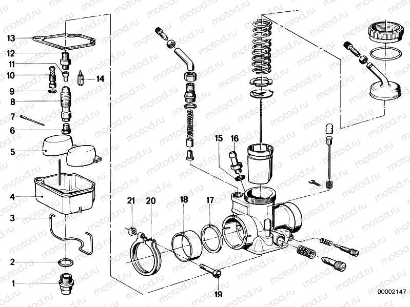
1
13111255817
Vis
2
13111255837
Gasket ring
3
13111254765
Spring clip
4
13111261343
FLOAT CHAMBER
4
13111254923
FLOAT CHAMBER
5
13111254766
FLOAT
6
13111255836
MAIN JET
7
13111254768
Pin
8
13111255816
Pompe à essence
9
13111254735
Gasket ring
10
13111255557
IDLING JET
11
13111254914
Nozzle
12
13111254730
PRE-ATOMIZER
13
13111254924
Gasket
14
13111254767
FLOAT NEEDLE
15
13111254920
Gasket ring
16
13111254919
 Grommet
17
13111255974
INSULATING WASHER
18
13111255975
INSULATING BUSHING
19
13111336968
Vis
20
13111254913
CLAMP RING
21
13111336969
Mère
22
13111258050
GASKET SET CARBURETTOR

Узлы для