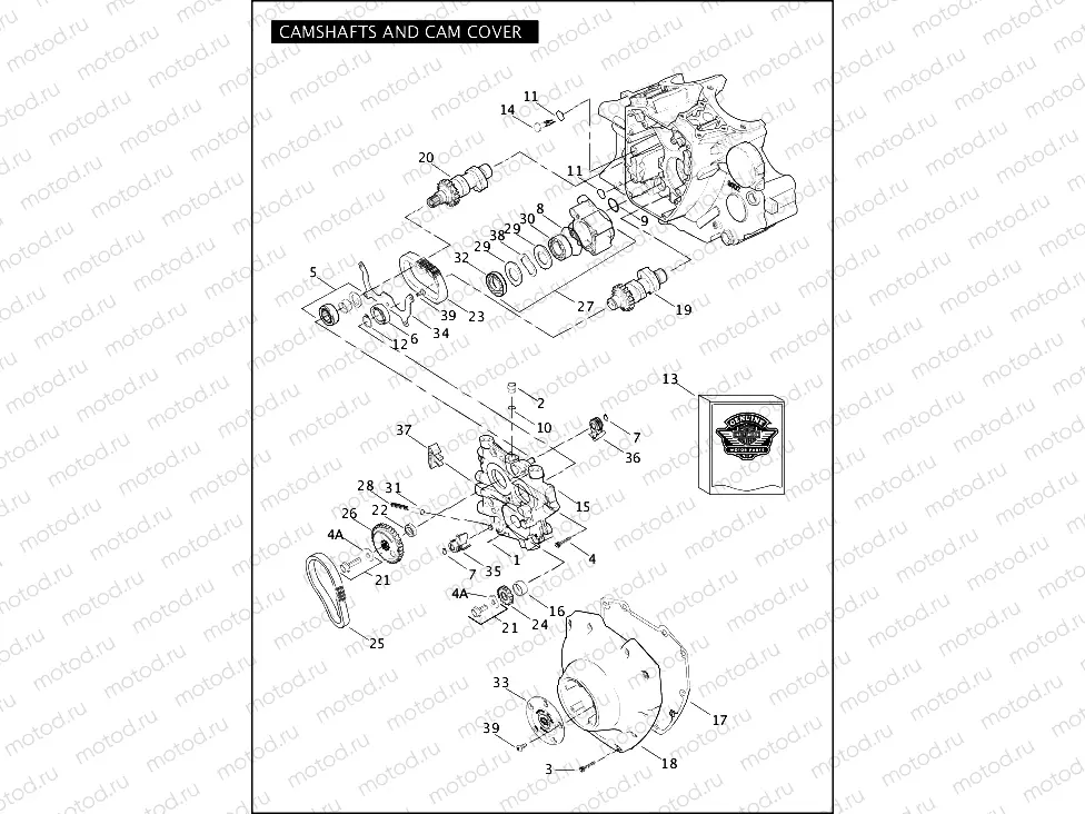
CAMSHAFTS AND CAM COVER - TWIN CAM 88B™ (1 OF 2)

CAMSHAFTS AND CAM COVER - TWIN CAM 88B™ (1 OF 2)
1
601
ROLL PIN
2
PLUG, cam support plate
3
4740A
SCREW, HEX SOCKET SEMS
4
4741A
SCREW, SEM HEX SOCKET HEAD CAP
4
6294
Rondelle
5
8983
ROLLER BEARING
6
8990A
Roulement
7
11031
25 pc - RETAINING RING
8
11286
O-Ring
9
11157
O-Ring
10
11298
O-RING, VITON
11
11301
O-Ring
12
11494
RETAINING RING
13
17045-99D
CAM SERVICE GASKET KIT, 1450/1
14
24983-00
OIL SCREEN, CRANKCASE
15
25284-11
KIT-CAM PLATE,HYBRID,W/HI-VOL
16
25344-99
BUSHING, CRANKSHAFT
17
25244-99A
GASKET, CAM COVER
18
25369-01B
CAM GEAR COVER, CHROME
18
25364-01B
CAM GEAR COVER, BLACK WRINKLE
18
25367-01B
CAM GEAR COVER, SILVER
19
25534-99
CAMSHAFT ASSY, FRONT
20
25544-00
CAMSHAFT ASSY, REAR 'A'
21
CAM DRIVE SPROCKET RETENSION KIT, includes 2 screws & washers
22
25938-00
ROLLER BRG UPGRADE SPACER KIT
22
25717-00
SPACER, .327
22
25719-00
SPACER, .317
22
25721-00
SPACER, .307
22
25722-00
SPACER, .287
22
25723-00
SPACER, .297
22
25725-00
SPACER, .337

Узлы для