BUMPER/RACK MOUNTING 6x6 400L | BUMPER/RACK MOUNTING 6x6 400L, SWEDISH S948740 and NORWEGIAN N948740 (4926812681003A)

BUMPER/RACK MOUNTING 6x6 400L | BUMPER/RACK MOUNTING 6x6 400L, SWEDISH S948740 and  NORWEGIAN N948740 (4926812681003A)
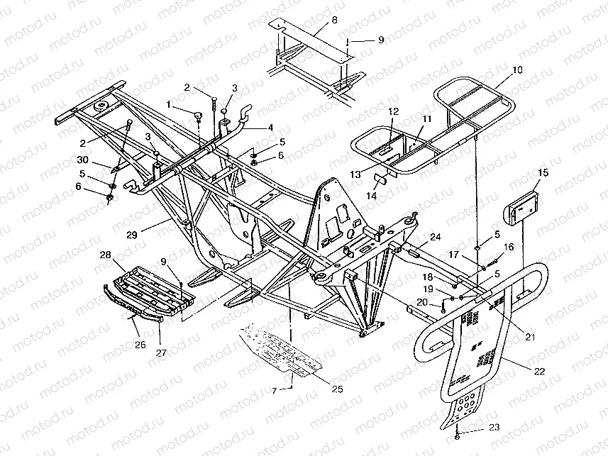
1
5410414
BUMPER RUBBER
2
7512130
Vis
3
5410012
PLUG RUBBER-HOLE .5DIA
4
1040291-093
LEVER, BOX, RED
5
7558301
WASHER FLAT
6
7542122
NUT-NYLOK
7
7512232
Vis
8
5222860-067
GUARD,CLUTCH,OUTER
9
7661637
RIVET INTERLOCK Z
10
2670137-067
RACK FRT.BLK.
11
7542327
NUT NYLOK
12
5810455
PAD
13
7515355
Vis
14
2670134
ASM. REFLECTOR AMBER
15
4032067
HEADLIGHT ASM (35.5W)
16
7512329
Vis
17
7558402
WASHER FLAT
18
7542324
Nut (SELF-LOCKING)
19
7552801
Rondelle (Lock)
20
7512163
Vis
21
7074220
DECAL,MACPHERSON STRUT
22
2670148-067
"""BUMPER FRONT BLK."""
23
7512252
SCREW(10)
24
5810467
PLUG FRAME
25
5240560-067
GUARD,ROCK,BLK.
26
7661825
RIVET
27
5431484
TRIM, FOOTREST
28
1040274-117
FOOTPAD,LH,SILVER
28
1040351-117
FOOTPAD,RH,SILVER
29
1040358-067
FRAME,(400-6X6)
30
1040293-067
MT REAR STRUT

Узлы для