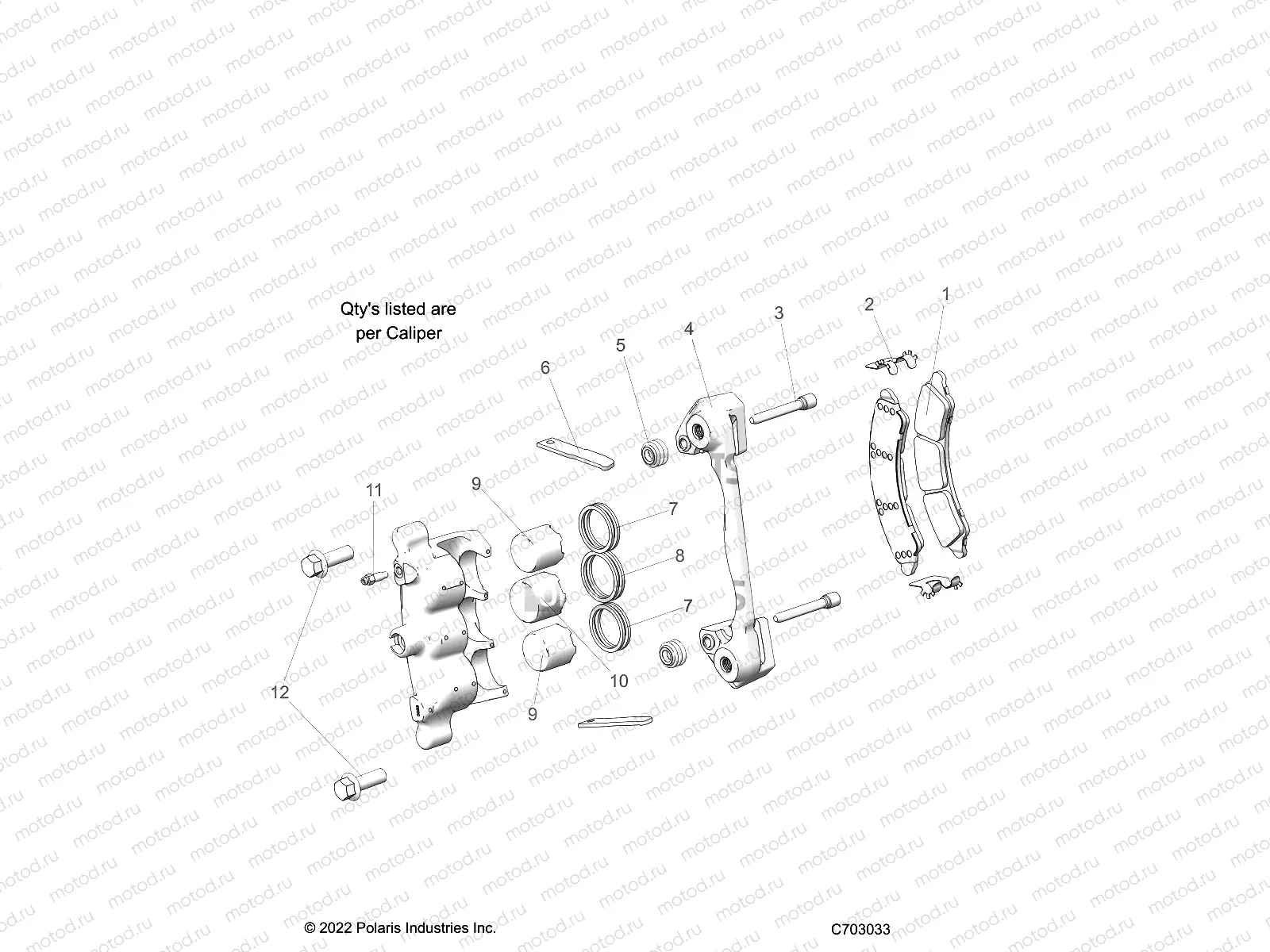
BRAKES | BRAKES, CALIPER, FRONT - Z22RGL2KAP/AL/BK/BP/BT (C703033)

BRAKES | BRAKES, CALIPER, FRONT - Z22RGL2KAP/AL/BK/BP/BT (C703033)
0
1913737
ASM-BRK-CAL-FR-3-PISTON
0
1913736
ASM-BRK-CAL-FL-3-PISTON
1
1913735
ASM-BRAKEPAD 3XL HIMU SS
2
5266374
CLIP WEAR BRAKE-PAD
3
1913339
PIN BRACKET-SLIDE
4
5143246
BRACKET CARRIER
5
5412506
BOOT-PIN SEAL
6
LR--
CALIPER, BRAKE, RH
7
5412010
SEAL-CALIPER INNER 1.50
8
5412907
SEAL-CALIPER INNER 1.375
9
PISTON-1-3/8SS
10
5143358
PISTON-CLPR 1.5 SS CASTLE
11
7081343
SCR-M7X1.0 BLEEDER OLIVE D
12
LR--
CALIPER, BRAKE, RH

Узлы для